Bourns HCTSM150102HLF Leistungstransformator
Der Bourns HCTSM150102HLF Leistungstransformator ist ein Transformator mit hoher Luftstrecke, der für die Isolierung in kompakten Stromversorgungssystemen ausgelegt ist. Dieser Transformator hat eine Betriebsspannung von 1500 VDC, eine Hi-Pot-Bewertung von 7640 VDC, eine Luft- und Kriechstrecke von 15 mm sowie eine Isolierung der Klasse F, die bis zu 150 °C zugelassen ist. Der Transformator HCTSM150102HLF entspricht den Normen IEC 60664-1 und IEC/UL 62368-1 und unterstützt Überspannungskategorie II und Verschmutzungsgrad 2. Diese Eigenschaften machen den Transformator ideal für die isolierte Stromversorgungsschnittstelle in CAN, RS-485, RS-422, RS-232, SPI, I2C und stromsparenden LANs. Die HCTSM150102HLF Transformatoren sind ideal für Industrie 4.0 und Systeme, die Isolierung vor gefährlichen Spannungen benötigen, wie z. B. Hochspannungs-Akkus in 1500 V Energiespeichersystemen.Merkmale
- 1500 VDC Betriebsspannung
- 7640 VDC für 2 s 1 mA maximaler Kriechverlust Hi-Pot Prüfung
- 15 mm Luftstrecke
- 15 mm Kriechstrecke
- Bis zu 150 °C verstärkte Klasse-F-Isolierung
- Überspannungskategorie II, Verschmutzungsgrad 2 und bis zu 4 km über dem Meeresspiegel
- Entspricht IEC 60664-1 und IEC/UL 62368-1
- RoHS-konform
Applikationen
- Ansteuerschaltungen für High- und Low-Side-Gates
- Isolierung für CAN, RS-485, RS-422, RS-232, SPI, I2C und stromsparende LANs
- Isolierte DC/DC-Wandler
- Batteriemanagementsysteme (BMS) und Energiespeicherlösungen
- Automotive- und Industrie-Isolierungs-Applikationen
Technische Daten
- 80 µH minimale Primärinduktivität bei 100 kHz, 1 V und 0 A
- 4,0 µH maximale Streuinduktivität bei 100 kHz und 0,1 V (Pin 1-3)
- DCR (DC-Widerstand):
- 0,3 Ω maximal (Pin 1-3)
- 0,7 Ω maximal (Pin 6-4)
- Windungsverhältnis und Polarität (Pins 1–3 zu 6–4) 1:2 ± 3 %
- 1500 VDC maximale Betriebsspannung
- Betriebstemperaturbereich von -40 °C bis 150 °C (einschließlich Temperaturanstieg)
- -25 °C bis 85 °C Lagertemperaturbereich
- Feuchteempfindlichkeit (MSL) Stufe 1
- ESD-Klassifizierung (HBM): N/A
Elektrisches Schaltschema
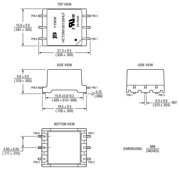
Abmessungen
Veröffentlichungsdatum: 2025-10-23
| Aktualisiert: 2025-10-28
