Bourns SM9107xAL AEC-Q200-LAN-10/100-Base-T-Transformatoren
Die SM9107xAL LAN-10/100-Base-T-Transformatoren von Bourns sind LAN-10/100-Base-T-/Isolations-Transformatormodule mit Einzelanschluss und Gleichtaktdrosseln für die Rauschunterdrückung in Ethernet-Applikationen. Die SM9107xAL LAN-Transformatoren von Bourns erfüllen die Anforderungen gemäß IEEE 802.3u- Standards, bieten eine Isolationsspannung von 1500 VAC und verfügen über einen erweiterten Betriebstemperaturbereich von -40 °C bis +125 °C. Diese LAN-Transformatoren sind AEC-Q200-qualifiziert und RoHs-konform.Merkmale
- Erfüllt IEEE 802.3u (100 Base-T) Spezifikationen
- 1500 VAC Isolationsspannung
- Konform mit AEC-Q200
- -40 °C bis +125 °C Betriebstemperaturbereich
- Für Diagnoseapplikationen ausgelegt
- RoHS-konform
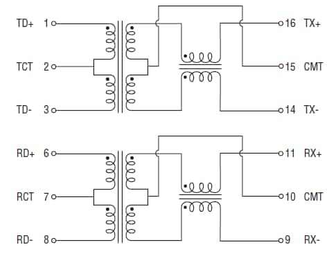
SM91071AL Elektrischer Schaltplan
SM91072AL und SM91073AL Elektrischer Schaltplan
Weitere Ressourcen
Veröffentlichungsdatum: 2020-02-03
| Aktualisiert: 2024-03-19
