Bosch BME690 Shuttle-Board 3.0
Das BME690 Shuttle Board 3.0 von Bosch ist eine Leiterplatte (PCB) mit einem vormontierten BME690-Luftqualitätssensor (Gas, Druck, Temperatur und Feuchtigkeit). In Verbindung mit dem Application Board 3.x von Bosch wertet das Shuttle-Board die vom Sensor selbst bereitgestellten Signalausgänge oder zusätzliche Ausgänge aus, die von der BSEC-Bibliothek für den Sensor generiert werden. Das Shuttle-Board ermöglicht über eine einfache Buchse einen einfachen Zugriff auf die Sensor-Pins und kann direkt in das Application Board 3.x gesteckt werden. Typischerweise validiert das Bosch BME690 Shuttle Board 3.0 Temperatur, Feuchtigkeit, Druck und den Index für die Luftqualität (IAQ).Merkmale
- PCB mit dem BME690 und Qualitätsensor vormontiert
- Wertet die vom Sensor bereitgestellten Signalausgänge sowie zusätzliche von der BSEC-Bibliothek (Software-Download) generierte Ausgänge aus.
- Einfacher Zugriff auf Sensor-Pins über einen einfachen Socket
- Wird direkt in das Applikation Board 3.x Stecker
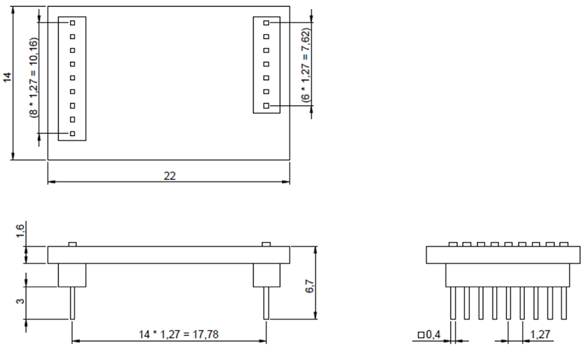
- Größe: 22 mm x 20 mm x 1,7 mm
Applikationen
- Smart Homes
- Wearables
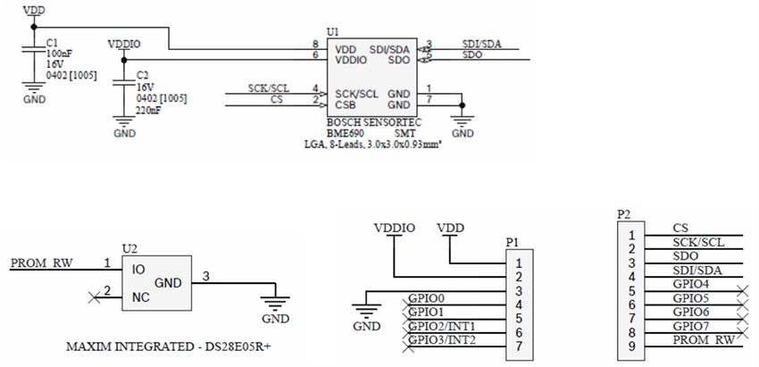
Elektrisches Layout
Abmessungen: mm
Veröffentlichungsdatum: 2025-01-02
| Aktualisiert: 2025-07-16
