Apacer Technology Inc. SV250-M242 Solid State Drives (SSDs)
Apacer Technology Inc. SV250-M242 Solid State Drives (SSDs) are high-speed storage drives designed with a SATA 6Gb/s interface. These SSDs utilize 3D NAND for a higher capacity of up to 960GB and provide more power efficiency than 2D NAND. The SV250-M242 SSDs comply with the SATA Revision 3.2 interface specifications and deliver exceptional read/write speed. These SSDs are built with a powerful SATA controller that supports on-the-module ECC and an efficient wear-leveling scheme. The SV250-M242 SSDs are implemented with Low-Density Parity Check (LDPC) ECC engine to extend SSD endurance and improve reliability.The SV250-M242 SSDs are equipped with built-in thermal sensors to monitor the temperature of the SSD via Self-Monitoring, Analysis, and Reporting Technology (S.M.A.R.T.) commands to prevent overheating. These SSDs consist of a single-chip controller and flash media. This controller integrates a flash management unit to support multi-channel and multi-bank flash arrays. The SV250-M242 SSDs operate at 3.3V ±5% supply voltage and a -40°C to 85°C wide temperature range. These SSDs are RoHS compliant and are available in 42mm x 22mm x 3.80mm dimensions. Typical applications include imaging, computing, industrial, and enterprise networks.
Features
- Compliance with SATA revision 3.2:
- SATA 6Gb/s interface
- Backward compatible with SATA 1.5Gb/s and 3Gb/s interfaces
- ATA-8 command set
- Performance:
- 600MB/s burst read/write
- Up to 560MB/s sequential read
- Up to 470MB/s sequential write
- Up to 50,000IOPS random read (4K)
- Up to 68,000IOPS random write (4K)
- Flash management:
- Low-Density Parity Check (LDPC) code
- Global wear leveling
- Flash bad-block management
- Page mapping flash translation layer
- Self-Monitoring, Analysis, and Reporting Technology (S.M.A.R.T.)
- DataDefender™
- Device sleep
- ATA secure erase
- TRIM
- Hyper cache technology
- Over-provisioning
- DataRAID™
- SMART read refresh™
- Endurance (Drive Writes Per Day (DWPD)):
- 120GB: 2.03DWPD
- 240GB: 2.28DWPD
- 480GB: 2.21DWPD
- 960GB: 2.34DWPD
- 120GB, 240GB, 480GB, and 960GB capacity
- 75-pin SATA-based M.2 module pinout connector type
- 3D TLC (BiCS5) NAND flash type
- >3,000,000 hours MTBF
- Security:
- AES 256-bit hardware encryption
- Trusted Computing Group (TCG) opal 2.0 (optional)
- Reliability:
- Thermal sensor
- End-to-end data protection
- RoHS compliant
Specifications
- Power consumption:
- 380mA maximum in active mode
- 60mA in idle mode
- 0°C to 70°C standard operating temperature range
- -40°C to 85°C wide operating temperature range
- -55°C to 100°C storage temperature range
- 3.3V ±5% supply voltage
- Form factor:
- M.2 2242-D5-B-M
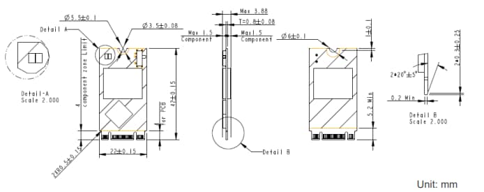
- 42mm x 22mm x 3.80mm dimensions
- 3.86g ±5% net weight
Applications
- Imaging
- Computing
- Industrial
- Enterprise networks
Functional Block Diagram
Mechanical Diagram
Veröffentlichungsdatum: 2023-05-30
| Aktualisiert: 2023-06-12
