Apacer Technology Inc. ST250-300 Serial ATA Flash Drives
Apacer Technology Inc. ST250-300 Serial ATA Flash Drives are well-balanced Solid State Disk (SSD) drives ideal for heavy-loading industrial or server operations. These flash drives offer a compact form factor and excellent performance. Designed with SATA-based connector pinouts and in SATA 6Gb/s interface, ST250-300 drives comply with the SATA Revision 3.2 interface specifications and deliver excellent read/write speed. The ST250-297 includes a built-in thermal sensor to monitor the temperature of the SSD through S.M.A.R.T commands to safeguard against overheating. These flash drives feature Advanced Encryption Standard (AES), ensuring the data is always safeguarded. The ST250-297 flash drives feature 3.3V±5% supply voltage, 0°C to 70°C operating temperature range, and are RoHS recast compliant (complies with 2011/65/EU standard).Features
- Compliance with SATA Revision 3.2:
- SATA 6Gb/s interface
- ATA-8 command set
- Backward compatible with SATA 1.5 Gb/s/3Gb/s
- Flash management:
- Low-Density Parity-Check (LDPC) code
- Global wear leveling
- Flash bad-block management
- Flash translation layer - page mapping
- S.M.A.R.T.
- DataDefenderTM
- Device sleep
- ATA secure erase
- TRIM
- Hyper cache technology
- SMART Read RefreshTM
- >3,000,000 hours MTBF
- 52-pin mSATA connector
- Performance:
- 600MB/sec burst read/write
- Up to 560MB/sec sequential read
- Form factor:
- JEDEC MO-300
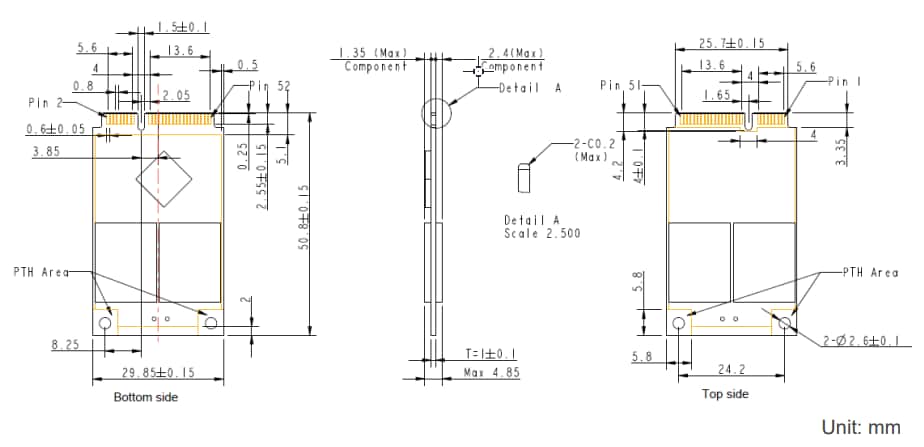
- 50.80mm x 29.85mm x 4.85mm dimensions
- AES 256-bit hardware encryption security
- Reliability:
- Thermal sensor
- End-to-End data protection
- LED indicators for drive behavior
- RoHS recast compliant (complies with 2011/65/EU standard)
Specifications
- Temperature range:
- ST250-300 BiCS4:
- 0°C to 70°C operating
- -55°C to 100°C storage
- ST250-300 BiCS5:
- 0°C to 70°C operating
- -55°C to 100°C storage
- ST250-300 BiCS4:
- 3.3V±5% supply voltage
- Power consumption:
- ST250-300 BiCS4:
- 405mA in active mode
- 70mA in idle mode
- ST250-300 BiCS5:
- 380mA in active mode
- 65mA in idle mode
- ST250-300 BiCS4:
Functional Block diagram
Dimensions
View Results ( 15 ) Page
| Teilnummer | Speichergröße | Formfaktor | Konstante Schreibgeschwindigkeit | Konstante Lesegeschwindigkeit | Stromaufnahme im Aktivmodus |
|---|---|---|---|---|---|
| A72.25CHGA.002GW | |||||
| A72.25CGGA.002J2 | |||||
| A72.25CJGA.002GW | |||||
| A72.25CKGA.002GW | |||||
| A72.25CLGA.002GW | |||||
| A72.25CMGA.001GW | |||||
| A72.25CGGA.00178 | 64 GB | MO-300 | 305 MB/s | 475 MB/s | 320 mA |
| A72.25CHGA.00178 | 128 GB | MO-300 | 495 MB/s | 560 MB/s | 350 mA |
| A72.25CJGA.00178 | 256 GB | MO-300 | 500 MB/s | 560 MB/s | 370 mA |
| A72.25CJGA.002ES | 256 GB | MO-300 | 510 MB/s | 560 MB/s | 365 mA |
Veröffentlichungsdatum: 2023-05-30
| Aktualisiert: 2023-06-20
