Apacer Technology Inc. PV910-M280 PCI Express Flash Drives
Apacer Technology Inc. PV910-M280 PCI Express Flash Drives feature low latency and high performance of up to 1,615MB/s read and 1,310MB/s write. These flash drives are built with a powerful PCIe controller that supports on-the-module ECC as well as an efficient wear-leveling scheme. The PV910-M280 flash drives are implemented with Low-Density Parity Check (LDPC) ECC engine to extend SSD endurance and increase data reliability. These flash drives are equipped with a built-in thermal sensor to monitor the temperature of the SSD via S.M.A.R.T commands. The PV910-M280 drives are configured with thermal throttling to dynamically adjust frequency scaling to enhance data reliability and provide sustained performance while overheating. These flash drives implement power saving modes, flash block management, S.M.A.R.T., TRIM, Hyper Cache technology, overprovisioning, DataDefender™, and SMART Read Refresh™. Typical applications include industrial, imaging, computing, and enterprise markets.Features
- Flash management:
- Low-Density Parity-Check (LDPC) code
- Global wear leveling
- Flash bad-block management
- Page mapping flash translation layer
- DataDefender™
- S.M.A.R.T.
- TRIM
- Hyper Cache technology
- Over-provisioning
- SMART Read Refresh™
- NVMe Secure Erase
- 3D TLC (BiCS3) NAND flash type
- LED indicators for drive behavior
- RoHS compliant
- 75-pin M.2 module pinout connector type
- Power management:
- Supports APST
- Supports ASPM L1.2
- Security:
- AES 256-bit hardware encryption
- Signed firmware
- Reliability:
- Thermal sensor
- Thermal throttling
- End-to-end data protection
Specifications
- Capacity:
- Single side: 120GB, 240GB, and 480GB
- Double side: 960GB
- Performance:
- 2GB/sec interface burst read/write
- Up to 1,615MB/sec sequential read
- Up to 1,310MB/sec sequential write
- Up to 135,000IOPS Random read (4K)
- Up to 130,000IOPS random write (4K)
- >3,000,000 hours MTBF
- Endurance (in Drive Writes Per Day: DWPD):
- 120 GB: 2.02DWPD
- 240GB: 1.99DWPD
- 480GB: 1.96DWPD
- 960GB: 1.86DWPD
- Temperature range:
- 0°C to 70°C standard operating temperature range
- -40°C to 85°C wide operating temperature range
- -40°C to 100°C storage temperature range
- 3.3V ±5% supply voltage
- Power consumption:
- 745mA in active mode (maximum)
- 145mA in idle mode
- Form factor:
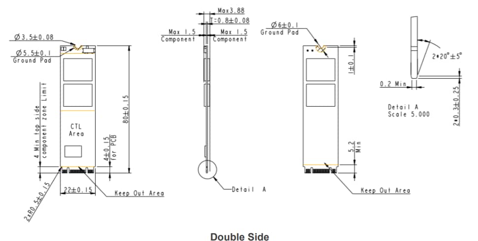
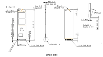
- M.2 2280-D5-B-M key
- Dimensions:
- 22mm x 80mm x 2.38mm single side
- 22mm x 80mm x 3.88mm double side
- 6.61g ±5% net weight
Applications
- Industrial
- Imaging
- Computing
- Enterprise markets
Functional Block Diagram
Veröffentlichungsdatum: 2023-06-01
| Aktualisiert: 2023-06-14
