Analog Devices Inc. MAXM17630, MAXM17631 und MAXM17632 Leistungsmodule

Die Himalaya-uSLIC™ -Abwärtsleistungsmodule MAXM17630, MAXM17631 und MAXM17632 von Analog Devices Inc. sind für kühlere, kleinere und einfachere Stromversorgungslösungen ausgelegt. MAXM17630, MAXM17631 und MAXM17632 sind synchrone DC/DC-Abwärtsmodule mit hohem Wirkungsgrad und einem integrierten controller, MOSFETs, Ausgleichskomponenten und einer Induktivität, die über einen großen Eingangsspannungsbereich arbeitet.

Die Leistungsmodule arbeiten mit 4,5 V bis 36 V und liefern einen Ausgangsstrom von bis zu 1 A. MAXM17630 und MAXM17631 sind feste 3,3-V- bzw. 5-V-Ausgangsmodule. Das MAXM17632 ist ein anpassbares Ausgangsmodul (0,9 V bis 12 V). Die Bauteile bieten eine echte Plug-and-Play-Stromversorgungslösung, die die Komplexität des Designs und die Herstellungsrisiken erheblich reduziert sowie eine kürzere Markteinführung ermöglicht. Eine integrierte Kompensation über den Ausgangsspannungsbereich beseitigt die Notwendigkeit für externe Kompensationskomponenten.

Die Leistungsmodule MAXM1763x verfügen über eine Spitzenstromregelungsarchitektur und können im Pulsweitenmodulations- (PWM), Pulsfrequenzmodulations- (PFM) oder diskontinuierlichen Leitungsmodus (DCM) betrieben werden, um einen hohen Wirkungsgrad bei leichten Lastbedingungen zu ermöglichen. Die Rückkopplungs-Spannungsregelungsgenauigkeit über -40 °C bis +125 °C beträgt ±1,2 % für die Modulfamilie.

Die Leistungsmodule MAXM1763x sind in einem kompakten 16-poligen-uSLIC™-Gehäuse mit niedrigem Profil von 3 mm x 3 mm x 1,75 mm verfügbar. Simulationsmodelle sind ebenfalls erhältlich.

Merkmale

  • Benutzerfreundlich
    • Breiter Eingangsbereich von 4,5 V bis 36 V
    • Einstellbarer Ausgang von 0,9 V bis 12 V (MAXM17632)
    • Feste Ausgangsversionen von 3,3 V und 5 V (MAXM17630 und MAXM17631)
    • 400 kHz bis 2,2 MHz anpassbare Frequenz mit externer Taktsynchronisierung
    • ±1,2 % Rückkopplungsgenauigkeit
    • Bis zu 1 A Ausgangsstrom
    • Intern kompensiert
    • Alle Keramikkondensatoren
  • Hoher Wirkungsgrad
    • Wählbarer PWM-, PFM- oder DCM-Betriebsmodus
    • Hilfs-Bootstrap-Versorgung (EXTVCC) für einen verbesserten Wirkungsgrad
    • Niedriger Abschaltstrom von 2,8 μA (typisch)
  • Flexibles Design
    • Verstellbares und monotones Einschalten mit vorgespannter Ausgangsspannung
    • Integrierte Ausgangsspannungsüberwachung mit RESET-Pin
    • Programmierbarer EN/UVLO-Schwellenwert
  • Robuster Betrieb
    • Hiccup-Modus-Überlastschutz
    • Übertemperaturschutz
    • Umgebungsbetriebstemperaturbereich: -40 °C bis +125 °C
    • Sperrschichttemperaturbereich: -40 °C bis +150 °C
  • Widerstandsfähig
    • Konform mit CISPR22(EN55022) Klasse B leitungsgebundene und abgestrahlte Emissionen
    • Erfüllt die Normen JESD22-B103, B104, B111 für Fall, Stoß und Vibration

Applikationen

  • Netzteile für Industriesteuerungen
  • Universal-Punktlast
  • Verteilte Versorgungsregelung
  • Netzteile für Basisstationen
  • Hochspannungs-Einzelboard-Systeme
  • Speicherprogrammierbare Steuerungen

Videos

MAXM17631 Typische Applikation

Applikations-Schaltungsdiagramm - Analog Devices Inc. MAXM17630, MAXM17631 und MAXM17632 Leistungsmodule

MAXM17632 Typische Applikation

Applikations-Schaltungsdiagramm - Analog Devices Inc. MAXM17630, MAXM17631 und MAXM17632 Leistungsmodule

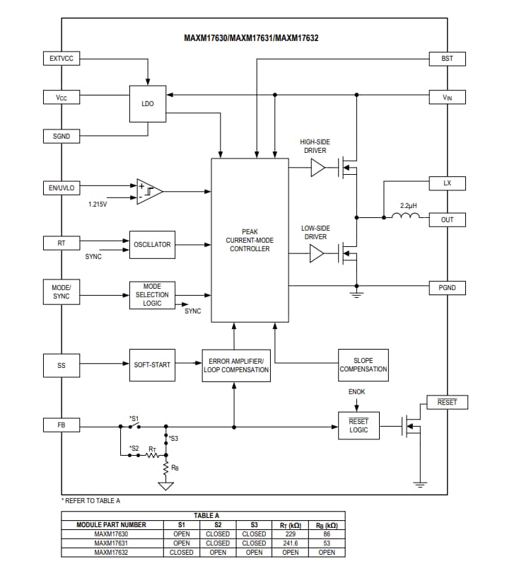
Funktionsdiagramm

Blockdiagramm - Analog Devices Inc. MAXM17630, MAXM17631 und MAXM17632 Leistungsmodule
Veröffentlichungsdatum: 2020-02-18 | Aktualisiert: 2025-08-07