Analog Devices / Maxim Integrated MAX77501EVKIT Evaluierungskit für den MAX77501
Das Analog Devices MAX77501EVKIT Evaluierungskit für den MAX77501 ist eine vollständig bestückte und getestete Leiterplatte (PCB). Das Kit demonstriert den MAX77501 Piezotreiber. Dieses Kit von Analog Devices ermöglicht eine einfache Evaluierung des MAX77501 und seine Fähigkeit, ein großes haptisches Signal über einen Keramik-Piezobetätiger anzusteuern.Merkmale
- Benutzerfreundlich
- GUI-Laufwerk-SPI-Schnittstelle
- Zugriff auf die digitale Engine über eine Software-GUI
- Bestückt und vollständig getestet
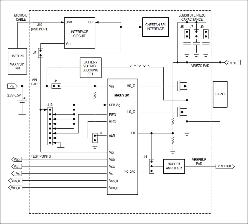
- Wählbare Stiftleisten für das schnelle Testen von verschiedenen Ausgangskondensatoren (J7 für 330 nF, J9 für 680 nF oder J5 für 1 µF)
- Buffer-konfigurierter Operationsverstärker, der mit der Rückkopplung des Wandlers zur Messung einer skalierten Version der Ausgangsspannung oder des Ausgangs des DACs verbunden ist
- Testpunkte zur Messung aller Ausgänge des Aufwärtswandlers und der Ladungspumpen
- Haptische/taktile rückkopplungsfähige Geräte
- Tastatur, Mäuse, Fernbedienungen und Peripherie
- Smartphones, Tablets/E-Reader, Spielkonsolen
Blockdiagramm
Veröffentlichungsdatum: 2022-03-28
| Aktualisiert: 2023-04-17
