Analog Devices / Maxim Integrated MAX40008 und MAX40009 Komparatoren mit Abschaltfunktion

Die MAX40008 und MAX40009 Komparatoren mit Abschaltfunktion von Maxim Integrated verfügen über einen Niederspannungsbetrieb sowie Rail-to-Rail-Eingänge mit einem Betriebsversorgungsspannungsbereich von 1,7 V bis 5,5 V. Dieser Spannungsbereich und der Versorgungsstrom von nur 12 μA machen die MAX40008 und MAX40009 ideal für Systeme, die mit Nennspannungen von 1,8 V bis 5 V betrieben werden. Die Komparatoren erzielen mit einer Eingangs-Offset-Spannung von 0,5 mV (typisch) und interner Hysterese, Laufzeitverzögerungen von 220 ns. Dies sorgt für eine saubere Ausgangsumschaltung auch bei langsamen Eingangssignalen.

Merkmale

  • 220 ns Laufzeitverzögerungen
  • Winzige 6-Bump-WLP- und SOT23-Gehäuse von 0,73 x 1,1 mm mit einem Rastermaß von 0,35 mm sparen Platz auf dem Board.
  • Rail-to-Rail-Eingänge
  • Niedriger Betriebsstrom ≤ 17 μA (max.) Übertemperatur
  • Keine Phasenumkehrung für übersteuerte Eingänge
  • Versorgungsspannungsbereich von 1,7 V bis 5,5 V ermöglicht Betrieb mit 1,8 V, 2,5 V, 3 V und 5 V
  • Push-Pull- (MAX40009) oder Open-Drain-Ausgänge (MAX40008)
  • Integrierte HF-Immunitätsfilter
  • Stromsparender Abschalteingang reduziert den Ruhestrom auf 150 nA
  • -40 °C bis +125 °C Temperaturbereich

Applikationen

  • Mobile Kommunikation
  • Tragbare/batteriebetriebene Systeme
  • Fensterkomparatoren
  • Pegelumsetzer
  • Schwellwert-Detektoren/-Unterscheider
  • IR-Empfänger

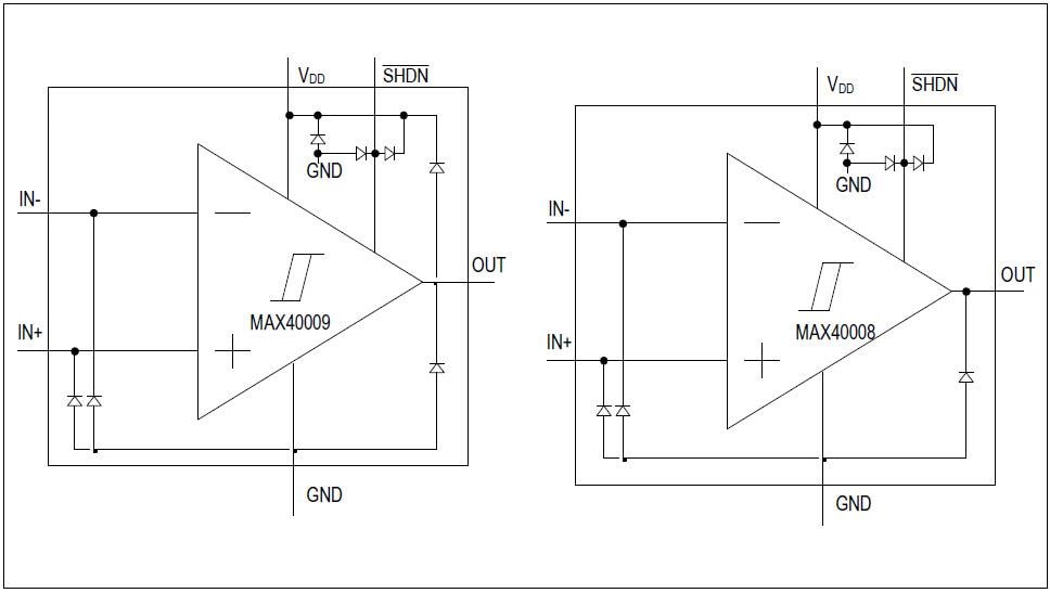
MAX40008 und MAX40009 - Blockdiagramm

Blockdiagramm - Analog Devices / Maxim Integrated MAX40008 und MAX40009 Komparatoren mit Abschaltfunktion
Veröffentlichungsdatum: 2017-08-07 | Aktualisiert: 2023-04-14