Analog Devices / Maxim Integrated MAX38889 Umkehrbarer Abwärts-/Aufwärtswandler

Der Analog Devices Inc. MAX38889 umkehrbare Abwärts-/Aufwärtswandler ist für Backup-Applikationen ausgelegt. Der MAX38889 bietet einen Systemausgangsspannungsbereich von 2,5 V bis 5,5 V, eine Schwellwertgenauigkeit von ±1 % und einen Spitzenwirkungsgrad von 94 % im Lade- oder Entlademodus. Der ADI MAX38889 umkehrbare Abwärts-/Aufwärtswandler ist in einem 16-Pin-TQFN-Gehäuse von 3 mm x 3 mm untergebracht.

Merkmale

  • Ausgangsspannungsbereich: 2,5 V bis 5,5 V
  • Spannungsbereich des Superkondensators: 0,5 V bis 5,5 V
  • Schwellwertgenauigkeit: ±1 %
  • 2,5 % Hysterese zwischen Backup und Laden
  • Induktivitäts-Spitzenstrombegrenzung: 1 A bis 3 A
    • Der Induktionsspitzenstrom ist über einen externen Widerstand von 1 A bis 3 A per Pin programmierbar
  • 94 % Spitzenwirkungsgrad, Lade- oder Entlademodus
  • 4 µA Ruhestrom im Bereitschaftszustand
    • Verbraucht nach dem Laden des Superkondensators einen Ruhestrom von nur 4 µA
  • Bereitschafts- und Backup-Statusausgänge
    • RDY- und BKB-Flags liefern Echtzeitstatus an das System
  • 16-Pin-TQFN-Gehäuse von 3 mm x 3 mm

Applikationen

  • Handheld-Industriegeräte
  • Tragbare Geräte/Computer mit einer entfernbaren Batterie
  • Sensoren und Betätiger für die Industrie
  • Automotive-Sekundärmarktverfolgung

Funktionsdiagramm

Blockdiagramm - Analog Devices / Maxim Integrated MAX38889 Umkehrbarer Abwärts-/Aufwärtswandler

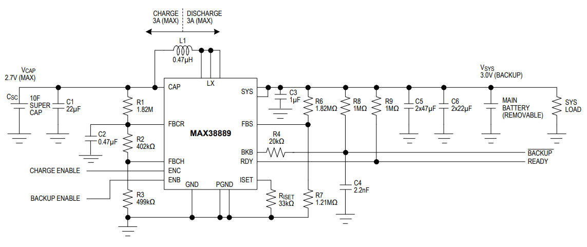
Applikations-Schaltung

Applikations-Schaltungsdiagramm - Analog Devices / Maxim Integrated MAX38889 Umkehrbarer Abwärts-/Aufwärtswandler
Veröffentlichungsdatum: 2021-04-19 | Aktualisiert: 2023-04-13