Analog Devices Inc. MAX38802 und MAX38803 Abwärtsschaltregler

Analog Devices MAX38802 und MAX38803 Abwärtsschaltregler sind vollständig integrierte Schaltregler mit hohem Wirkungsgrad für Applikationen, die von Eingangsversorgungen von 6,5 V bis 14 V betrieben werden und eine maximale Last bis zu 25 A benötigen. Diese Einzelchip-Regler bieten eine kompakte Power-Delivery-Lösung mit hohem Wirkungsgrad für präzise Ausgänge, die ein schnelles Einschwingverhalten erfordern.

Die MAX38802 und MAX38803 verfügen über verschiedene Programmierbarkeitsoptionen, um eine große Auswahl von Konfigurationen zu ermöglichen. Die programmierbaren Funktionen umfassen eine interne und externe Referenzspannung, einen Ausgangsspannungs-Sollwert, eine Schaltfrequenz, einen Überstromschutz (OCP) und ein Soft-Start-Timing. Der Betrieb im diskontinuierlichen Strommodus (DCM) kann durch ein Pin-Strapping aktiviert werden, um den Wirkungsgrad bei geringer Last zu verbessern.

Die MAX38802 und MAX38803 umfassen mehrere Schutz- und Messfunktionen. Ein positiver und negativer zyklischer OCP, eine Kurzschluss-Sicherung und ein Übertemperaturschutz (OTP) gewährleisten ein robustes Design. Die Eingangs-Unter- und Überspannungssperre schaltet den Regler aus, um Schäden zu verhindern, wenn die Eingangsspannung außerhalb der Spezifikationen liegt. Die Regelung wird im Falle eines Ausgangs-Überspannungsereignisses (OVP) gestoppt. Ein Status-Pin zeigt an, dass die Ausgangsspannung innerhalb des Bereichs liegt und die Ausgangsspannung geregelt wird. Die Bauteile verfügen über einen Analogausgang, der zur Meldung des Ausgangsstroms oder der Sperrschichttemperatur mit einer Genauigkeit von ±5 % bzw. ±8 °C konfiguriert werden kann.

Die MAX38802 UND MAX38803 Abwärtsschaltregler von Analog Devices sind in einem kompakten WLCSP27-Gehäuse von 2,2 mm x 3,8 mm verfügbar, das einen niedrigen thermischen Widerstand bietet und die PCB-Fläche reduziert.

Merkmale

  • Lösung mit hohem Wirkungsgrad
    • Spitzenwirkungsgrad von bis zu 97 %
    • Wirkungsgrad von bis zu 87 % bei Volllast
    • Wirkungsgrad von bis zu 94 % bei geringer Last und 1 A mit DCM aktiviert
  • Footprint-kompatibel mit MAX38800 (9 A) und MAX38801 (15 A)
  • Die Schaltfrequenz ist bis zu 1 MHz programmierbar
  • Programmierbarer Soft-Start und programmierbare STAT-Verzögerungszeiten
  • Programmierbare Referenzspannung mit externer Eingangsoption
  • Programmierbare positive und negative OCP-Begrenzung
  • Analoge Strom- oder Temperatur-Meldung
  • Differential-Fernerkundung mit Leerlauf-Erkennung
  • Schnelles Einschwingverhalten mit Quick-PWM™-Architektur
  • Prozentualer Ausgangs-Power-Good und -OVP
  • Open-Drain-Statusanzeige-Pin (STAT)
  • Eingangsunterspannungs- und Ausgangsüberspannungssperre
  • Adaptive Totzeit-Regelung
  • Integrierter Boost-Schalter
  • Betrieb mit Keramik-Eingangs- und -Ausgangskondensatoren
  • WLCSP27-Gehäuse von 2 mm x 3,8 mm

Applikationen

  • DDR-Speicher: VDDQ, VPP und VTT
  • GPU-Core-Versorgungen
  • I/O- und Chipsatz-Versorgungen
  • Punktlast-Applikationen (POL)
  • Server und µServer

MAX38802 Konfigurationsoptionen

Tabelle - Analog Devices Inc. MAX38802 und MAX38803 Abwärtsschaltregler

MAX38803 Konfigurationsoptionen

Tabelle - Analog Devices Inc. MAX38802 und MAX38803 Abwärtsschaltregler

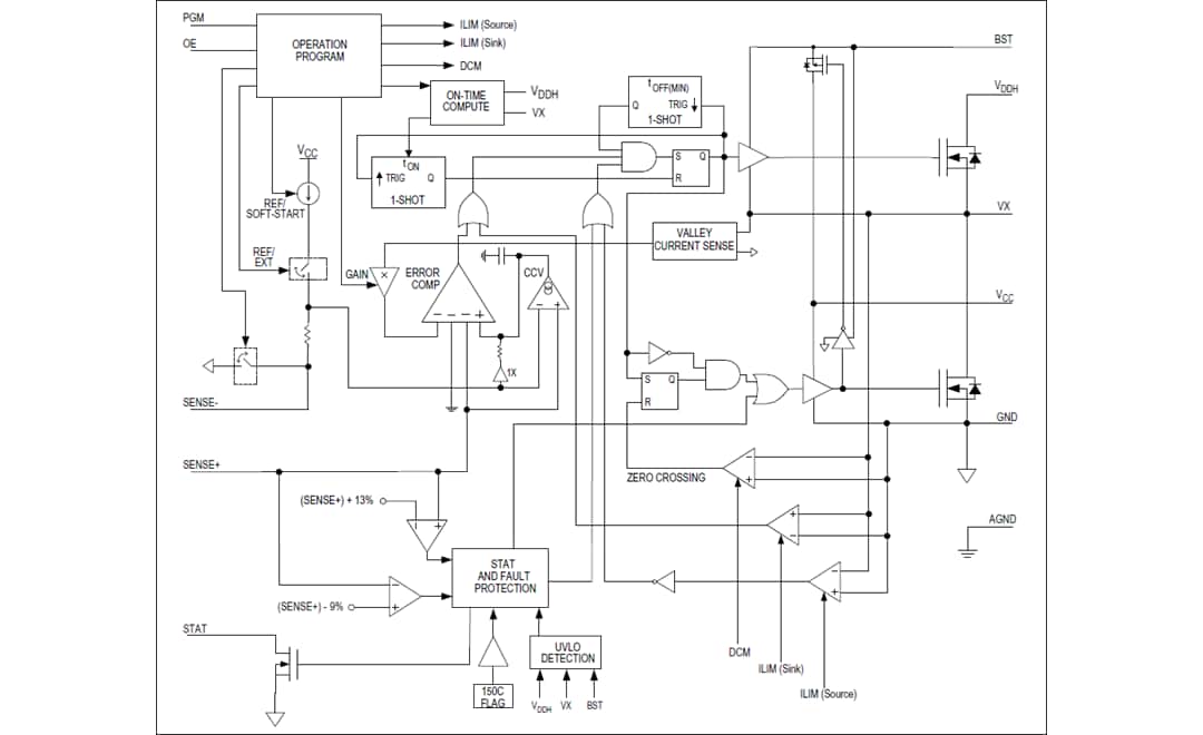
Blockdiagramm

Blockdiagramm - Analog Devices Inc. MAX38802 und MAX38803 Abwärtsschaltregler

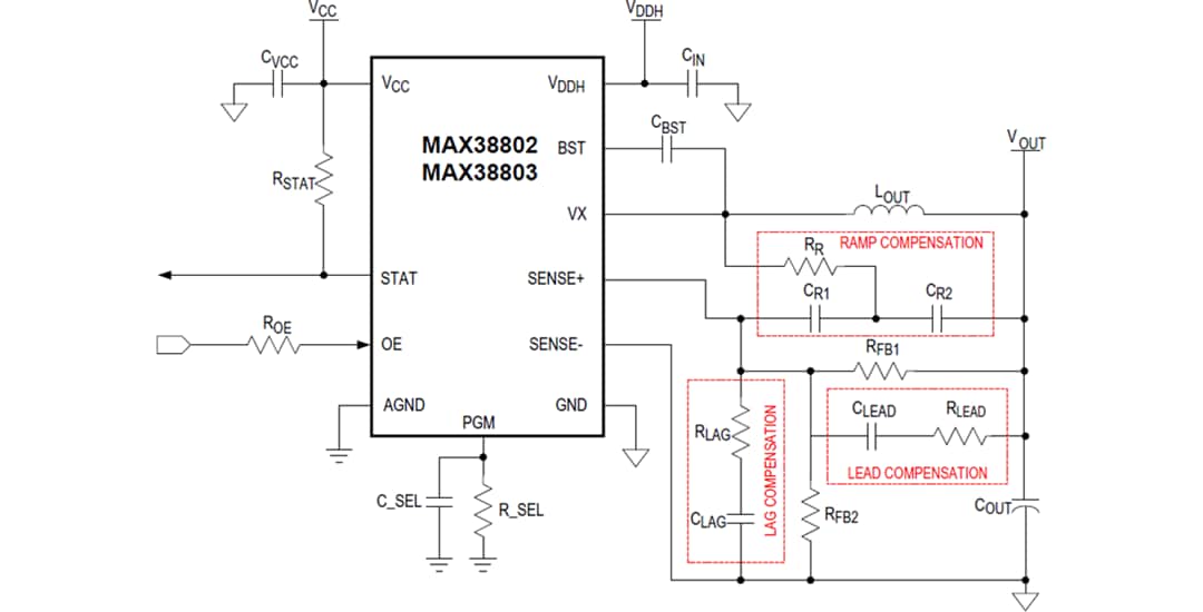
Grundlegende Applikations-Schaltung

Applikations-Schaltungsdiagramm - Analog Devices Inc. MAX38802 und MAX38803 Abwärtsschaltregler
Veröffentlichungsdatum: 2020-11-05 | Aktualisiert: 2024-07-17