Analog Devices / Maxim Integrated MAX3521 Evaluationskit
Das Maxim Integrated MAX3521 Evaluationskit (EV-Kit) ist ein Tool zur Auswertung des MAX3521 DOCSIS 3.0 vorgeschalteten Verstärkers. Dieses MAX3521 Evaluationskit enthält einen 50Ω-SMA-Standard-Steckverbinder für die Ein- und Ausgänge, um eine schnelle un einfache Auswertung zu ermöglichen. Das MAX3521 Kit ist in der Lage, bei 5 V mindestens 750 mA zu liefern.Merkmale
- Einfache Evaluierung des MAX3521
- 50Ω-SMA-Steckverbinder
- Alle kritischen Peripheriekomponenten sind enthalten
- Bewährtes PCB-Layout
- Vollständig bestückt und getestet
- PC-Steuerungs-Software
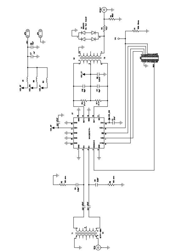
MAX3521 Evaluationskit Schaltplan
Veröffentlichungsdatum: 2018-05-24
| Aktualisiert: 2023-04-12
