Analog Devices / Maxim Integrated MAX33054E 2-MBit/s-CAN-Transceiver
Der Maxim Integrated MAX33054E 2-MBit/s-CAN-Transceiver (Control Area Network, CAN) ist ein 3,3V-Transceiver mit integriertem Schutz für Industrieapplikationen. Der MAX33054E CAN-Transceiver verfügt über einen Standby-Modus-Pin (STBY) für drei Betriebsmodi. Diese Modi umfassen einen Standby-Modus für einen geringen Stromverbrauch, einen normalen Hochgeschwindigkeits-Modus oder einen langsamen Anstiegsraten-Modus. Die MAX33054E CAN-Transceiver sind mit einem erweiterten Fehlerschutz von ±65 V für Geräte ausgestattet, die einen Überspannungsschutz erfordern. Diese MAX33054E Transceiver verfügen außerdem über ein Human Body Model (HBM) mit ±25 kV ESD und einem Eingangsgleichtaktbereich (CMR) von ±25 V. Die MAX33054E verfügen über eine Kurzschlusssicherung, eine thermische Abschaltung und eine Logik-Versorgung (VL) von 1,62 V bis 3,6 V.Zu den typischen Applikationen gehören programmierbare Logik-Controller, Industrieautomatisierung, Gebäudeautomatisierung, Messgeräte, Smart-Stromnetz-Ausstattungen, Drohnen und Motorsteuerung.Merkmale
- Programmierbarer Logik-Controller
- Der integrierte Schutz erhöht die Stabilität:
- CANH und CANL mit Fehlertoleranz von ±65 V
- ±25 kV ESD HBM
- ±25 V erweiterter CMR
- Sender-dominantes Timeout verhindert eine Sperrung
- Kurzschlusssicherung
- Übertemperaturschutz
- Die Produktfamilie bietet flexible Gestaltungsmöglichkeiten:
- Langsame Anstiegsrate zur Reduzierung von EMI
- STBY-Eingang für stromsparenden Modus und langsame Anstiegsrate
- 1,62V- bis 3,6V-Logik-Versorgung von bis zu 2 MBit/s
- -40 °C bis 125 °C Betriebstemperaturbereich
- 8-Pin-SOIC-Gehäuse (Small Outline Integrated Circuit, SOIC)
Applikationen
- Programmierbarer Logik-Controller
- Industrieautomatisierung
- Gebäudeautomatisierung
- Messgeräte
- Smart-Stromnetz-Ausstattung
- Drohne
- Motorsteuerung
MAX33054E Transceiver Blockdiagramm
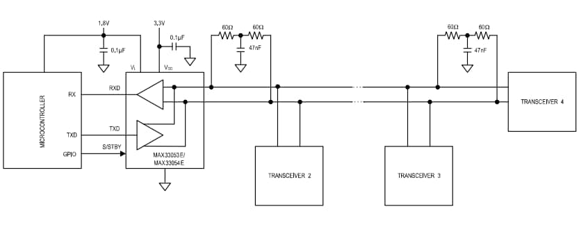
MAX33054E Transceiver - Applikations-Schaltungs-Diagramm
MAX33054E Pin-Diagramm
Veröffentlichungsdatum: 2018-09-12
| Aktualisiert: 2023-04-24
