Analog Devices / Maxim Integrated MAX25239 Automotive-Abwärts-/Aufwärtswandler
Analog Devices MAX25239 Automotive-Abwärts-/Aufwärtswandler verfügen über integrierte H-Brücken-Schalter und eine feste Ausgangsregelungsspannung. Darüber hinaus haben die Wandler von Maxim eine extern einstellbare Ausgangsspannung im Bereich von 3 V bis 20 V. Die ICs verfügen über eine Eingangsspannung, die oberhalb, unterhalb oder genauso groß wie die Ausgangsregelungsspannung ist. Die Bauteile von Analog Devices umfassen typische Eingangsstrombegrenzungsoptionen von 8,2 A und 10 A und können in Abhängigkeit vom Eingangs-zu-Ausgangsspannungsverhältnis und der Betriebsfrequenz einen Dauerlaststrom bis zu 6 A unterstützen. Darüber hinaus verfügen die Wandler über einen großen Eingangsspannungsbereich von 2 V bis 36 V.Merkmale
- Erfüllt strenge Automotive-Qualitäts- und Zuverlässigkeitsanforderungen
- Der Betriebseingangsspannungsbereich von 2 V bis 36 V ermöglicht den Betrieb in Kaltstartbedingungen
- Toleriert Eingangstransienten von bis zu 42 V
- EN-Pin-kompatibel mit bis zu 42 V
- Typische Eingangsstrombegrenzung: 8,2 A/10 A
- Anpassbare und feste Ausgangsspannungsoptionen
- Automotive-Temperaturbereich: -40 °C bis +125 °C, Klasse 1
- Das AEC-Q100-qualifizierte und thermisch verbesserte Gehäuse mit hoher Integration reduziert die BOM-Kosten und den Board-Platz
- Integrierte FET-H-Brücken-Architektur
- Schaltfrequenzoptionen: 2,1 MHz/400 kHz/200 kHz
- Phasenregelschleifen(PLL)-Frequenzsynchronisierung
- Thermisch verbessertes 22-Pin-FC2QFN-Gehäuse
- Niedriger Ruhestrom erfüllt die strengen OEM-Stromanforderungen
- Ruhestrom im Standby-Modus: 95 μA
- Maximaler Abschaltstrom: 10 μA
- Reduzierte EMI-Emissionen bei Schaltfrequenz
- Frequenzspreizungsfunktion durch PLC-Pin aktiviert/deaktiviert
- Schutzfunktionen verbessern die Systemzuverlässigkeit
- Versorgungs-Unterspannungssperre und thermischer Schutz
- Ausgangs-PGOOD-Anzeige, Überspannungsschutz und Kurzschluss-Sicherung
Applikationen
- FAS-ECU
- Infotainment-Systeme
- Karosserieelektronik
- Start-Stopp-Systeme
- Punktlast-Netzteile
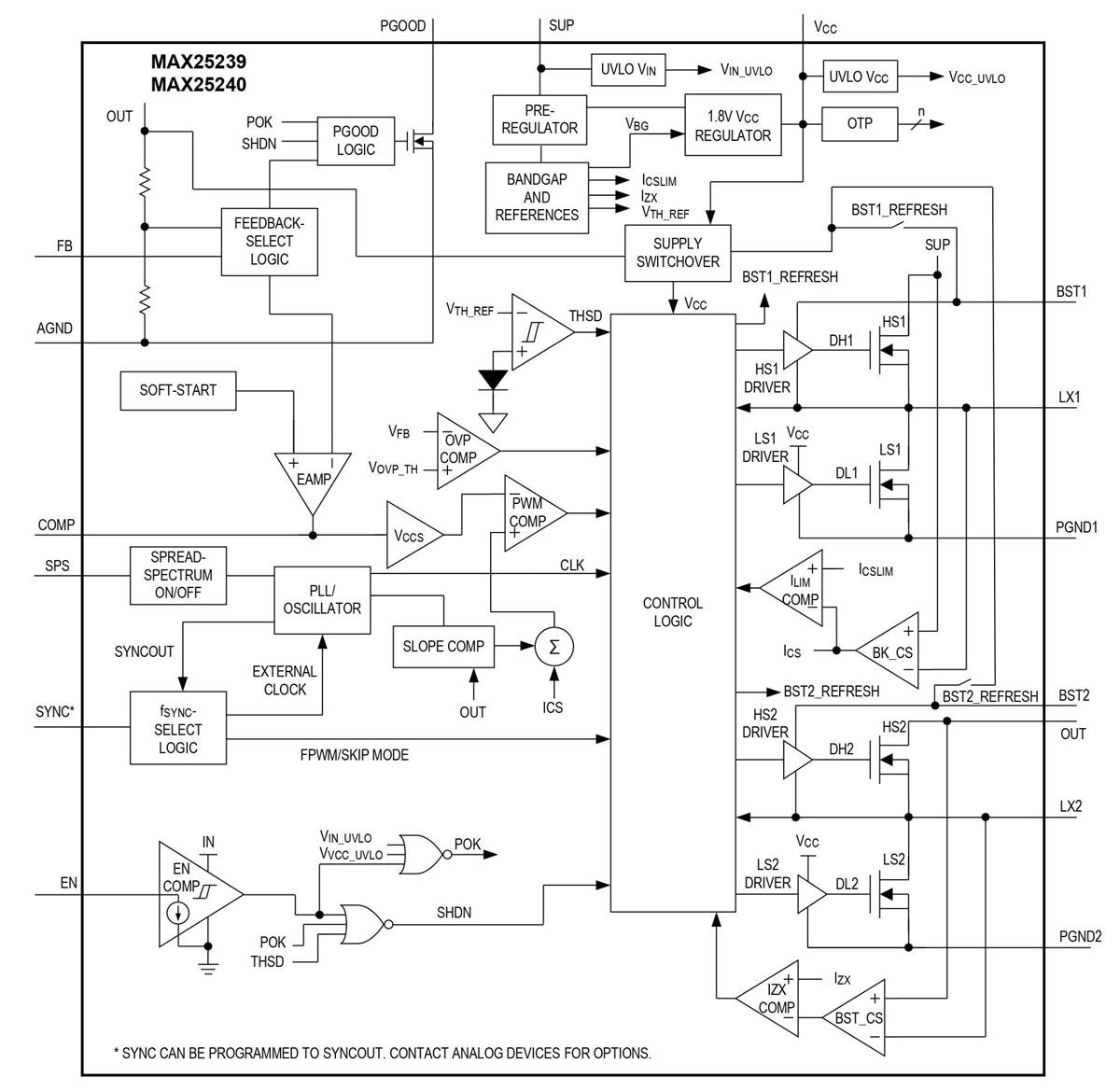
Blockdiagramm
Veröffentlichungsdatum: 2022-11-29
| Aktualisiert: 2023-04-13
