Analog Devices / Maxim Integrated MAX22288 Home-Bussystem-kompatibler Transceiver
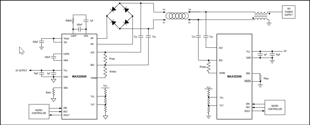
Analog Devices MAX22288 Home-Bussystem-kompatible Transceiver werden verwendet, wenn Daten und Leistung auf einem einzelnen Paar von Drähten übertragen werden. Die Transceiver reduzieren die Notwendigkeit für externe Komponenten und bieten eine robuste Kommunikation durch die Verwendung eines dynamischen Kabelanschlusses. Dies verbessert die Signalqualität mit längeren Kabeln und höheren Datenraten. Der AIO/BIO-Datenausgänge des Bauteils laden den Bus nicht, wenn der MAX22288 nicht betrieben wird. Der MAX22288 von Analog Devices unterstützt das Weiterleiten von Daten mit einer Geschwindigkeit bis zu 200 KBit/s.Merkmale
- Robuste Kommunikation mit Konfigurierbarkeit
- Dynamischer Kabelanschluss verbessert die Signalqualität für Hochgeschwindigkeits-Applikationen
- Einstellbare Anstiegsraten für eine niedrige EMI
- Maximale Datenrate von bis zu 200 kBit/s über ein UTP-Kabel von 1.000 m
- Programmierbare Empfänger-Schwellenwerte
- Platzsparend
- TQFN-Gehäuse von 4 mm x 4 mm
- Pin-zu-Pin-kompatibel mit dem MAX22088
- Integrierter Schutz
- IEC 61000-4-2 ESD-Schutz bis ±8 kV (Kontaktentladung) und ±15 kV (Luftspaltentladung)
- IEC 61000-4-5 ±1 kV Überspannungsschutz mit ausgewählten externen Komponenten
- Betriebstemperaturbereich: -40 °C bis +125 °C
Applikationen
- HLK
- Gebäudeleittechnik
- Industrie-IoT
Vereinfachtes Home-Bussystem (HBS)
Veröffentlichungsdatum: 2021-10-08
| Aktualisiert: 2023-04-17
