Analog Devices / Maxim Integrated MAX22256 H-Brücken-Transformatortreiber
Analog Devices MAX22256 H-Brücken-Transformatortreiber bieten eine einfache Lösung für die Erstellung von isolierten Netzteilen bis zu 15 W. Die Bauteile steuern eine Primärspule eines Transformators mit einem Strom bis zu 650 mARMS von einer großen DC-Versorgung von 5 V bis 36 V an. Die MAX22256B/C Treiber von Analog Devices sind für die LLC-Typ-Resonanztopologie optimiert, verbessern den Wirkungsgrad und reduzieren das Schaltrauschen.Merkmale
- Einfaches, flexibles Design
- Versorgungsbereich: 5 V bis 36 V
- Bis zu 91 % Wirkungsgrad
- Bietet über 15 W zu einem Transformator
- Unterspannungssperre
- Interne oder externe Taktquelle
- Synchroner Taktausgang (MAX22258)
- Programmierbarer Überstrom-Schwellenwert
- Einstellbare Totzeit (MAX22258): 30 ns bis 200 ns
- Robuster integrierter Systemschutz
- Fehlererkennung und -anzeige
- Überstrombegrenzung von bis zu 1 A
- Übertemperaturschutz
- Eine präzise interne Taktquelle (±6 %) verhindert übermäßige Transformator-Core-Verluste aufgrund der Frequenzverschiebung
- Großer Temperaturbereich: -40 °C bis +125 °C
- Platzsparend
- Kleines 10-Pin-TDFN-Gehäuse (MAX22256A/B/C) von 3 mm x 3 mm mit einem Rastermaß von 0,5 mm
- Kleines 14-Pin-TSSOP-Gehäuse (MAX22258) von 4 mm x 5 mm mit einem Rastermaß von 0,65 mm
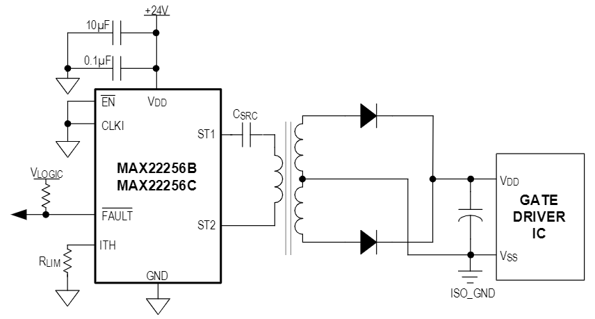
Blockdiagramm
Veröffentlichungsdatum: 2022-11-29
| Aktualisiert: 2023-04-13
