Analog Devices Inc. MAX2223 L-Band-Satelliten-Tuner mit direkter Umwandlung
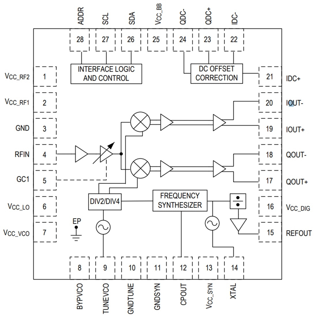
Der Analog Devices Inc. MAX2223 L-Band-Satelliten-Tuner mit direkter Umwandlung ist für Satelliten-Set-Top- und VSAT-Applikationen (Very Small Aperture Terminal, VSAT) ausgelegt. Das Bauteil wandelt über einen Breitband I/Q-Abwärtswandler die Satellitensignale direkt vom LNB zum Basisband um. Der Betriebsfrequenzbereich reicht von 925 MHz bis 2.175 MHz. Der MAX2223 enthält einen LNA- und einen HF-Verstärker mit variabler Gain, I- und Q-Abwärtswandlungs-Mischer sowie Basisband-Verstärker. Der HF-Verstärker mit variabler Gain bietet einen Gain-Regelungsbereich von mehr als 70 dB und eine HF-Bandbreite von 1 GHz.Das Bauteil enthält vollständig monolithische VCOs sowie einen vollständigen Fractional-N-Frequenzsynthesizer. Zusätzlich ist ein On-Chip-Quarzoszillator mit einem gepufferten Ausgang zur Ansteuerung weiterer Tuner und Demodulatoren vorgesehen. Die Synthesizer-Programmierung und die Gerätekonfiguration werden mit einer seriellen 2-Draht-Schnittstelle durchgeführt. Der IC verfügt über eine automatische VCO-Auswahlfunktion (VAS), die automatisch den richtigen VCO auswählt. Für Multi-Tuner-Applikationen kann das Bauteil so konfiguriert werden, dass es über eine von zwei 2-Draht-Schnittstellenadressen verfügt. Ein stromsparender Standby-Modus ist verfügbar, wenn der Signalpfad abgeschaltet wird, während der Referenzoszillator, die digitale Schnittstelle und die Bufferschaltungen aktiv bleiben. Dies bietet eine Methode zur Reduzierung der Leistung in Einzel- und Multi-Tuner-Applikationen.
Merkmale
- Frequenzbereich: 925 MHz bis 2.175 MHz
- Monolithischer VCO
- Geringes Phasenrauschen: -97 dBc/Hz bei 10 kHz
- Keine Kalibrierung erforderlich
- Hoher Dynamikbereich: -75 dBm bis 0 dBm
- Unterstützt eine HF-Bandbreite von 1 GHz
- Einzelversorgung: +3,3 V ±5 %
- Standby-Modus mit geringem Stromverbrauch
- Adress-Pin für Multi-Tuner-Applikationen
- Differential-I/Q-Schnittstelle
- Serielle I2C-2-Draht-Schnittstelle
- Sehr kleines 28-Pin-TQFN-Gehäuse von 5 mm x 5 mm
Applikationen
- VSATs
Blockdiagramm
