Analog Devices / Maxim Integrated MAX22199 Oktaler industrieller Digitaleingang
Der Analog Devices MAX22199 oktale industrielle Digitaleingang setzt acht stromsenkende 24 V-Industrieeingänge in einen SPI-kompatiblen seriellen Ausgang um, der sich mit der 3 V- bis 5,5 V-Logik verbindet. Das IEC 61131-2-konforme industrielle Digitaleingangsgerät arbeitet als acht digitale Eingänge vom Typ 1/Typ 3 oder vier digitale Eingänge vom Typ 2. Der oktale Industrie-Digitaleingang MAX22199 verfügt über Diagnosefunktionen wie thermische Abschaltung, Alarm bei 24 V Unterspannung, Alarm bei fehlender 24 V Spannung sowie SPI- und CRC-Kommunikationsfehlererkennung. Alle Fehler bieten die Möglichkeit, einen Interrupt über den FAULT-Pin zu erzeugen.Der MAX22199 von Analog Devices verfügt über eine 4-polige SPI-Schnittstelle und nutzt den LATCH-Eingang zur Synchronisierung der Eingangsdatenabtastung über mehrere Geräte hinweg.Die SPI-Schnittstelle arbeitet mit 3,3 V oder 5 V Logikpegeln, die durch den VL-Pin gesteuert werden, und ist in einem 5mm x 5 mm großen TQFN-Gehäuse erhältlich.
Merkmale
- Die hohe Integration reduziert die Stückliste und spart Boardplatz
- Acht Eingangskanäle mit dem Serialisierer
- Wird direkt von der Feldversorgung (7 V bis 65 V) betrieben
- Kompatibel mit 3,3 V- oder 5V-Logik
- 5 mm x 5 mm TQFN-Gehäuse
- Reduzierte Verlustleistung und Wärmeverluste
- 0,6 mA (typ) Versorgungsstrom
- ±11 % Präzise Eingangsstrombegrenzer
- Energiesparende feldseitige LED-Treiber
- Geringe Verlustleistung bei negativer Eingangsspannung
- Fehlertolerant
- Eingangsschutz bis ±40 V
- Integrierte Feldversorgungsspannungs-Überwachung
- 5-Bit CRC SPI-Fehlererkennung
- Konfigurierbarkeit ermöglicht eine große Auswahl von Applikationen
- Konfigurierbarer Eingangsstrom von 0,5 mA bis 3,4 mA
- Auswählbare Eingangs-Entprellungfilterung
- Stromquellen können deaktiviert werden
- Unterstützt Daisy-Chain SPI und direktes SPI
- Robustes Design
- ±8 kV Kontakt-ESD und ±15 kV Luftspalt-ESD mit
- Minimum 1 kΩ Widerstand
- ±2 kV Überspannungstolerant mit mindestens 1 kΩ Widerstand
- Umgebungsbetriebstemperatur: -40 °C bis +125 °C
- Der MAX22190 bietet erweiterte Diagnosemöglichkeiten
- Pin-zu-Pin-kompatibel
- Register-kompatibel
Applikationen
- Speicherprogrammierbare Steuerungen
- Verteiltes Kontrollsystem
- Motorsteuerung
- Gebäudeautomatisierung
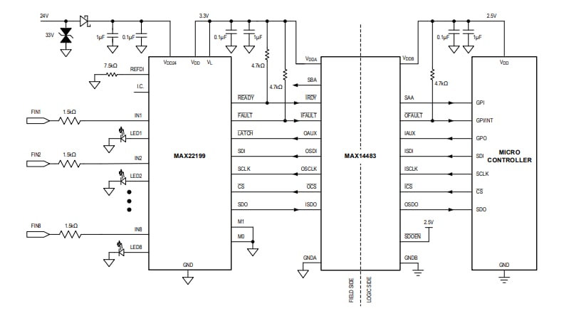
Blockdiagramm
Veröffentlichungsdatum: 2021-11-09
| Aktualisiert: 2023-04-17
