Analog Devices / Maxim Integrated MAX22195 Industrieller oktaler Hochgeschwindigkeits-Digitaleingang
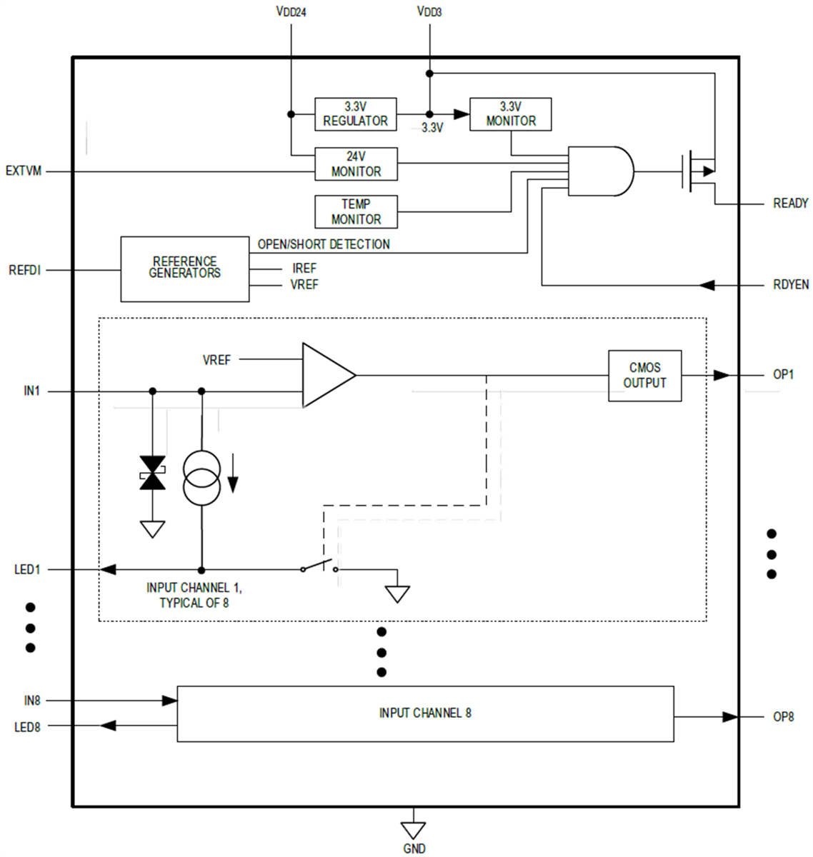
Der Maxim MAX22195 industrielle oktale Hochgeschwindigkeits-Digitaleingang setzt acht industrielle 24V-Digitaleingänge auf acht CMOS-kompatible, parallele Ausgänge um. Die Laufzeitverzögerung vom Eingang-zu-Ausgang beträgt weniger als 300 ns für alle Kanäle. Strombegrenzer auf jedem Digitaleingang reduzieren die Verlustleistung erheblich im Vergleich zu herkömmlichen resistiven Eingängen. Die Genauigkeit dieser Strombegrenzer reduziert die Verlustleistung bei gleichzeitiger Sicherstellung der Einhaltung des IEC 61131-2-Standards. Ein Stromeinstellungswiderstand ermöglicht es, den MAX22195 für Eingänge des Typs 1, Typs 2 und Typs 3 zu konfigurieren. Darüber hinaus verfügt der MAX22195 über energiesparende feldseitige LED-Treiber, um die Anforderungen von IEC 61131-2 hinsichtlich der Leuchtanzeige ohne zusätzliche Verlustleistung zu erfüllen.Merkmale
- Industrieller Hochgeschwindigkeits-Digitaleingang
- 210 ns maximale Laufzeitverzögerung
- ±10 ns maximaler Kanal-zu-Kanal-Versatz
- Parallelausgang für simultane Signallieferung
- Die hohe Integration reduziert die Stückliste und spart Boardplatz
- Wird direkt von der Feldversorgung (7 V bis 65 V) betrieben
- Kompatibel mit 3,3V- oder 5V-Logik
- 32-TQFN-Gehäuse von 5 mm x 5 mm
- Geringe Verlustleistung und geringe Wärmeverluste
- Niedriger Ruhestrom (max. 1,2 mA)
- Genaue Eingangsstrombegrenzer
- Energiesparende feldseitige LED-Treiber
- Fehlertolerant mit eingebauten Diagnosefunktionen
- Integrierte feldseitige Versorgungsüberwachung
- Integrierte Übertemperatur-Überwachung
- Stromeinstellungswiderstands-Überwachung
- Konfigurierbarkeit ermöglicht eine große Auswahl von Applikationen
- Konfigurierbar für IEC 61131-2 Typ 1, 2, 3 Eingänge
- Konfigurierbare Eingangsstrombegrenzung von 0,56 mA bis 3,97 mA
- Robustes Design
- ±1 kV stoßtolerant mit einem Widerstand von mindestens 1 kΩ
- ±8 kV Kontakt-ESD und ±15 kV Luftspalt-ESD mit einem Mindest-Widerstand von 1 kΩ
- -40 °C bis + 125 °C Umgebungsbetriebstemperatur
Applikationen
- Programmierbare Logik-Controller
- Industrieautomatisierung
- Prozessautomatisierung
- Gebäudeautomatisierung
Funktionales Blockdiagramm
Veröffentlichungsdatum: 2018-08-29
| Aktualisiert: 2023-04-25
