Analog Devices / Maxim Integrated MAX22191 Evaluierungskit

Das Maxim Integrated MAX22191 Evaluierungskit ist ein vollständig bestücktes und geprüftes Board, das für die Auswertung der vollen Funktionalität des MAX22191 Digitaleingang-Bauteils (DI) ausgelegt ist. Dieses Evaluierungskit verfügt über zwei Schaltkreise, einen für das digitale Eingangssignal und der andere für ein 48V-Eingangssignal. Das MAX22191 Kit bewertet den MAX22191 Isolator in entweder Stromsenken- oder Stromquellen-Konfigurationen. Das Schnittstellen-Development-Evaluierungskit bietet ein bewährtes PCB-Layout.

Merkmale

  • 24V- und 48V-Schaltkreise für eine einfache Auswertung
  • Bewährtes PCB-Layout
  • Vollständig bestückt und getestet

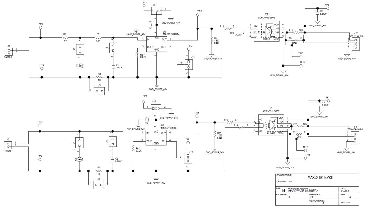
MAX22191 Evaluierungskit Schaltplan

Schaltplan - Analog Devices / Maxim Integrated MAX22191 Evaluierungskit
Veröffentlichungsdatum: 2018-06-12 | Aktualisiert: 2023-04-12