Analog Devices Inc. MAX22007EVKIT Evaluierungskit
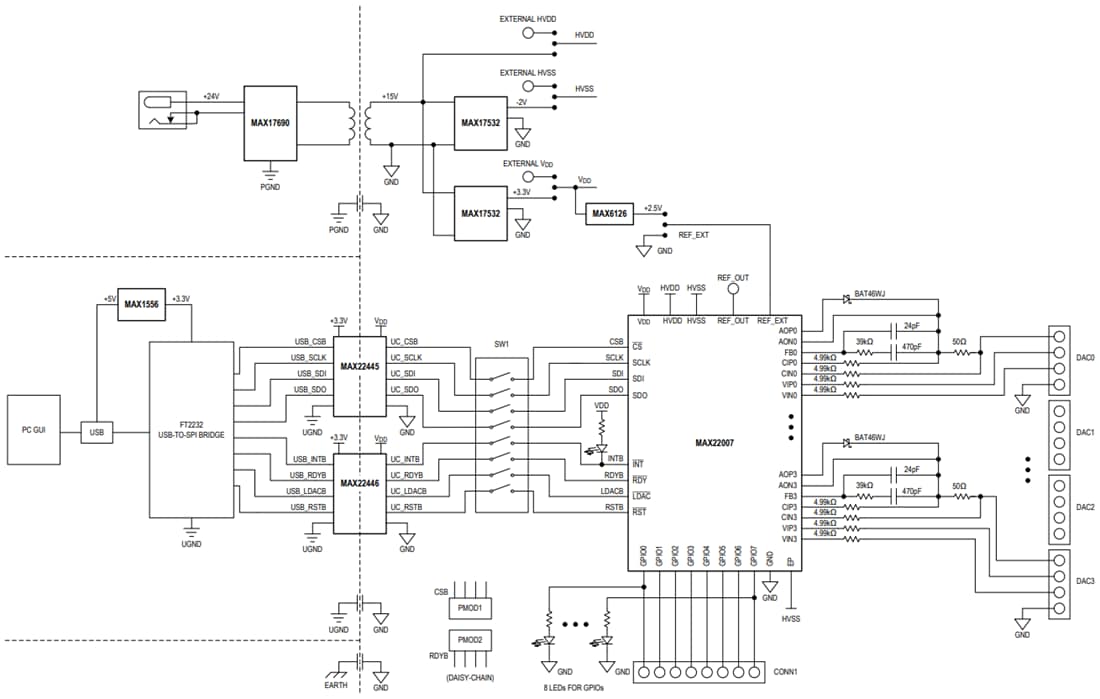
Das Analog Devices MAX22007EVKIT Evaluierungskit bietet die Hardware und Software, die zur Evaluierung des MAX22007 konfigurierbaren Industrie-Vierkanal-Analogausgangs erforderlich ist. Das MAX22007EVKIT kommuniziert über einen USB-Anschluss mit einer grafischen Benutzeroberfläche (GUI) auf einem PC. Das Evaluierungskit bietet die FT2232 On-Board-USB-zu-SPI-Brücke für die SPI-Kommunikation, ermöglicht aber auch einem externen SPI-Master die Kommunikation mit dem MAX22007 über den PMOD1-Steckverbinder. Die On-Board-DC/DC-Wandler erzeugen die erforderlichen Versorgungsspannungen, +15 V für HVDD, +3,3 V für VDD und -2 V für HVSS für den Betrieb des MAX22007. Mehrere MAX22007EVKIT-Boards können mit PMOD1- und PMOD2-Steckverbindern im Daisy-Chain-Modus verbunden werden.Merkmale
- Zwei zugängliche Modi
- Analogausgangs-Spannungsmodus
- Analogausgangs-Strommodus
- Unterstützt die Erkennung der Lastimpedanz
- Zugriff auf alle GPIOs
- Windows® 10-kompatible Software
- Bewährtes PCB-Layout
- Vollständig bestückt und getestet
Applikationen
- Gebäudeautomatisierungs-Analogausgänge
- Konfigurierbare Analogausgangskarten
- Fabrikautomatisierungs-Analogausgänge
- Prozessautomatisierung
- Programmierbare Logikschaltungen
Erforderliche Ausrüstung
- MAX22007EVKIT Evaluierungskit
- Mikro-USB-Kabel
- DC-Netzteil von 24 V, 1 A
- Windows 10 PC mit einem USB-Ersatzanschluss
- Multimessgeräte
Blockdiagramm
Weitere Ressourcen
Veröffentlichungsdatum: 2020-10-20
| Aktualisiert: 2024-07-15
