Analog Devices Inc. MAX20430EVKIT Evaluierungskit
Das Analog Devices Inc. MAX20430EVKIT Evaluierungskit bietet eine vollständig bestückte und getestete Applikationsschaltung für die MAX20430 Leistungsmanagement-ICs (PMICs) mit vier Ausgängen. Das Evaluierungskit kann alle Ausgänge bis zur Volllast innerhalb des normalen Betriebseingangsbereichs von 3,5 V bis 36,0 V testen. Der MAX20430 PMIC verfügt über zwei Watchdog-Betriebsmodi (Challenge/Response und einfacher Modus mit Fenster), die für eine vereinfachte Evaluierung ebenfalls deaktiviert werden können.Das MAX20430EVKIT Evaluierungskit ist für die Verwendung einer I2C-Schnittstelle, beispielsweise dem MAX32625PICO Board, und einer PC-Software ausgelegt, die auf dem Bauteil, beispielsweise SimpleI2C, lesen/schreiben kann. Der IC verfügt über eine Paketfehlerprüfungsfunktion (PEC), die standardmäßig aktiviert ist. Diese Option kann über das CONFIG1-Register 0x01, Bit 0 (PECE) deaktiviert werden. Um in ein Register zu schreiben, wenn der PEC aktiviert ist, muss der I2C-Transaktion ein PEC-Byte folgen. Die SimpleI2C Software vereinfacht diesen Prozess durch die Bereitstellung einer PEC-Aktivierungseinstellung.
Merkmale
- Integrierter IC reduziert die Boardfläche und das Layout
- 3,5 V bis 36,0 V Eingangsspannungsbereich
- Benutzerprogrammierbare Einstellungen über I2C
- Anfrage/Antwort oder einfacher Watchdog mit Fenster
- 1 MHz Festfrequenzschaltung mit Frequenzspreizungsoption
- Statusüberwachung über RESET-Pin und I2C-Statusregister
- Vollständig bestückt und getestet
- Bewährtes PCB-Layout mit Automotive-Standardbauelementen
Applikationen
- Erweiterte Fahrerassistenzsysteme (FAS)
- ASIL Applikationen
Erforderliche Ausrüstung
- MAX20430 Evaluierungskit
- I2C Lese-/Schreibsoftware, beispielsweise SimpleI2C
- I2C-Schnittstelle, beispielsweise das MAX32625PICO Board
- DC-Netzteil, das zu einem 0-V- bis 36-V-Ausgang fähig ist
- Digitale Multimeter
- Elektronische Last
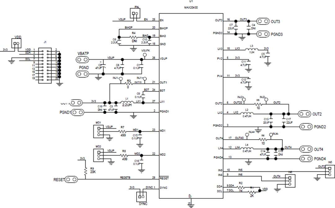
Schaltschema
Veröffentlichungsdatum: 2020-05-12
| Aktualisiert: 2024-05-15
