Analog Devices / Maxim Integrated MAX20069 Automotive LED Backlight Driver

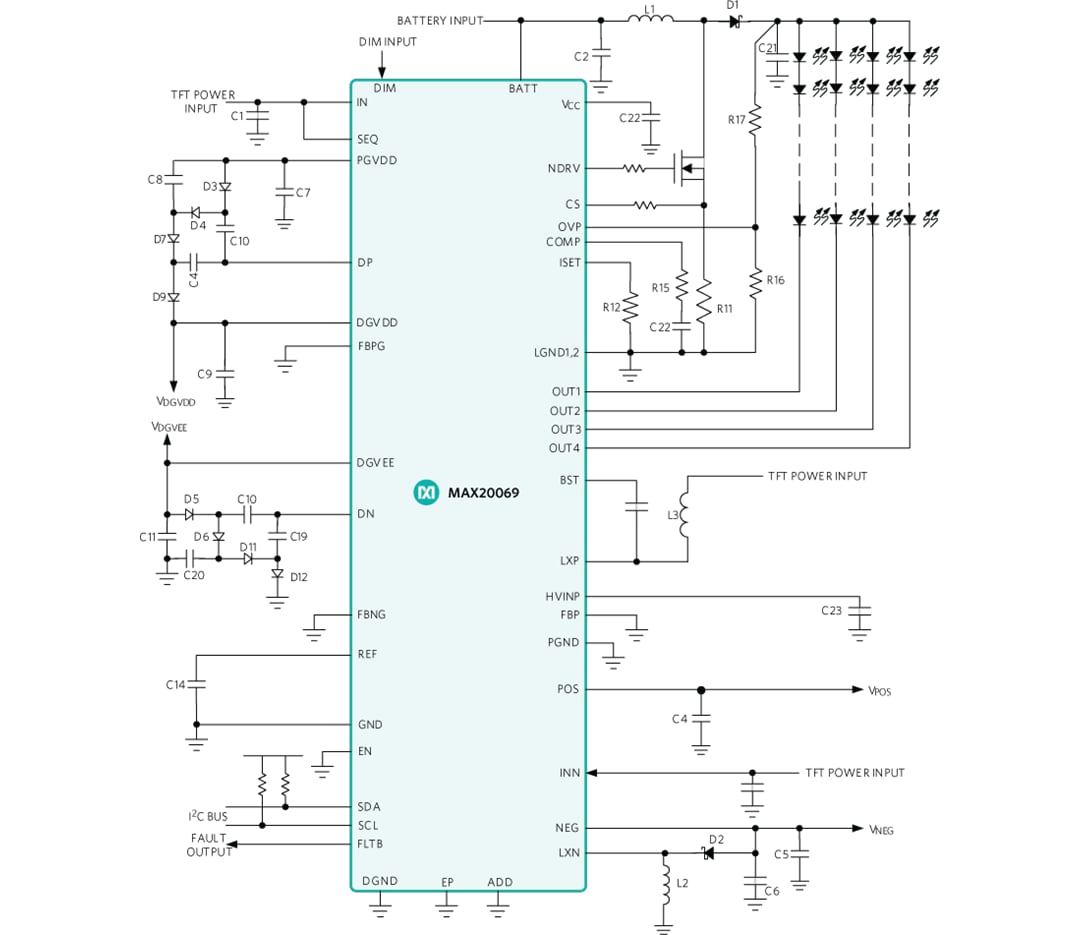
Analog Devices Inc. MAX20069 Automotive LED Backlight Driver is a highly-integrated TFT power supply and LED backlight driver IC for automotive TFT-LCD applications. The IC integrates one buck-boost converter, one boost converter, two gate-driver supplies, and a boost/SEPIC converter that can power one to four strings of LEDs in the display backlight.

The source-driver power supply consists of a synchronous boost converter and an inverting buck-boost converter that can generate voltages up to +18V and down to -7V. The positive source driver can deliver up to 120mA, while the negative source driver is capable of 100mA. The positive source-driver supply regulation voltage (VPOS) is set by connecting an external resistor-divider on FBP or through I2C. The negative source-driver supply voltage (VNEG) is always tightly regulated to -VPOS (down to a minimum of -7V). The source-driver supplies operate from an input voltage between 2.8V and 5.5V

The gate-driver power supplies consist of regulated charge pumps that generate up to +28V and -21.5V and can deliver up to 3mA each.

The IC features a quad-string LED driver that operates off a separate input voltage (VBATT) and can power up to four strings of LEDs with 150mA (max) of current per string. The IC features logic-controlled pulse-width-modulation (PWM) dimming, with minimum pulse widths as low as 500ns, with the option of phase shifting the LED strings with respect to each other. When phase shifting is enabled, each string is turned on at a different time, reducing the input and output ripple and audible noise. With phase-shifting disabled, the current sinks turn on simultaneously, and a parallel connection of current sinks is possible.

The MAX20069 also supports the high currents that next-generation displays require, with 150mA per channel in the four-channel LED driver for 8" or larger displays and higher resolutions. 

The MAX20069 can be used with the MAX16923 Automotive Display Power-Management IC to provide a two-chip solution to all automotive display power-supply requirements.

The startup and shutdown sequences for all power domains are controlled using one of the seven preset modes, selectable through a resistor on the SEQ pin or the I2C interface.

The ADI MAX20069 Automotive Backlight Driver is available in a 40-pin (6.0mm x 6.0mm) TQFN package with an exposed pad and operates over the -40°C to +105°C ambient temperature range.

 

Features

  • 4-output TFT-LCD bias power
    • 2.8V to 5.5V input for the TFT-LCD section
    • Integrated 440kHz or 2MHz boost and buck-boost converters
    • Positive and negative 3mA gate voltage regulators with adjustable output voltage
    • Flexible resistor-programmable sequencing through the SEQ Pin
    • Undervoltage detection on all outputs
    • Low-quiescent-current standby mode
  • 4-channel LED backlight driver
    • Up to 150mA current per channel
    • 4.5V to 42.0V input voltage range
    • Integrated boost/SEPIC controller (440kHz or 2.2MHz)
    • 10000:1 at 200Hz dimming ratio 
    • Adaptive voltage optimization to reduce power dissipation in the LED current sinks
    • Open-string, shorted-LED, and short-to-GND diagnostics
  • Low EMI
    • Phase-shift dimming of LED strings
    • Spread spectrum on LED driver and TFT
    • Selectable switching frequency with fine-tuning via I2C
  • I2C interface for control and diagnostics
    • Fault indication through the FLTB pin and I2C
  • Overload and thermal protection
  • -40°C to +105°C ambient temperature operation
  • 40-Pin (6mm x 6mm) TQFN package with exposed pad

Applications

  • Automotive dashboards
  • Automotive central information displays
  • Automotive head-up displays
  • Automotive navigation systems

Videos

Typical Application Circuit

Application Circuit Diagram - Analog Devices / Maxim Integrated MAX20069 Automotive LED Backlight Driver
Veröffentlichungsdatum: 2019-11-05 | Aktualisiert: 2023-05-03