Analog Devices / Maxim Integrated MAX20011x Abwärtswandler

Analog Devices MAX20011C, MAX20011D und MAX20011G hocheffiziente Abwärtswandler werden mit einem Eingangsspannungsbereich von 3,0 V bis 5,5 V betrieben und liefern einen Ausgangsspannungsbereich von 0,5 V bis 1,275 V. Die große Eingangs-/Ausgangsspannungsbereich und die Möglichkeit, einen Spitzenstrom von bis zu 16 A bereitzustellen, machen dieses Bauelement ideal für On-Board-Punktlast- und Nachregelungs-Applikationen. Die MAX20011C, MAX20011D und MAX20011G erzielen einen Ausgangsfehler über Last, Leitung und Temperaturbereich von ±1,5 %.

Diese Abwärtswandler verfügen über einen PWM-Modus mit einer Festfrequenz von 2,2 MHz für eine bessere Rauschimmunität und ein besseres Last-Einschwingverhalten. Der Frequenzbetrieb von 2,2 MHz ermöglicht die Verwendung von Vollkeramikkondensatoren und reduziert die Anzahl externer Komponenten. Die optionale Frequenzspreizungs-Frequenzmodulationreduziert die abgestrahlten elektromagnetischen Emissionen. Integrierte Schalter mit niedrigem RDS(ON) verbessern den Wirkungsgrad bei hohen Lasten und machen das Layout einfacher als diskrete Lösungen.

Die Module werden mit einer werkseitig voreingestellten Ausgangsspannung angeboten. Der I2C-Schnittstelle unterstützt eine dynamische Spannungseinstellung mit programmierbaren Anstiegsraten. Weitere Funktionen sind programmierbarer Sanftanlauf, Überstrom- und Übertemperaturschutz. Die MAX20011C, MAX20011D und MAX20011G Abwärtswandler werden in einem 17-Pin-FC2QFN-Gehäuse von 3,5 mm x 4,0 mm angeboten.

Merkmale

  • DC/DC-Wandler mit hohem Wirkungsgrad
  • Spitzenstrom von bis zu 16 A
    • MAX20011B: 12 A
    • MAX20011C: 16 A
    • MAX20011D: 12 A
  • Differential-Fernspannungsmessung
  • Betriebsversorgungsspannung: 3,0 V bis 5,5 V
  • I2C-gesteuerte Ausgangsspannung (0,5 V bis 1,275 V in 6,25-mV-Schritten)
  • Hervorragendes Lasttransienten-Einschwingverhalten
  • Programmierbare Kompensation
  • Betrieb von 2,2 MHz oder 1,1 MHz
  • ±1,5 % Ausgangsspannungsgenauigkeit
  • RESET-Ausgang
  • Erzwungener PWM-Strommodus-Betrieb
  • ASIL-D-konform
    • Redundante Referenz
    • BIST-Diagnostik
    • PEC auf I2C
    • Programmierbarer OV/UV mit ±1 % Genauigkeit
  • Übertemperaturschutz und Kurzschluss-Sicherung
  • Seitenbenetzbares 17-Pin-FC2QFN-Gehäuse von 3,5 mm x 4,0 mm
  • Automotive-Temperaturbereich: -40 °C bis +125 °C, Klasse 1

Applikationen

  • ADAS-Systeme für Automotive
  • SoC-Core-Leistung

Videos

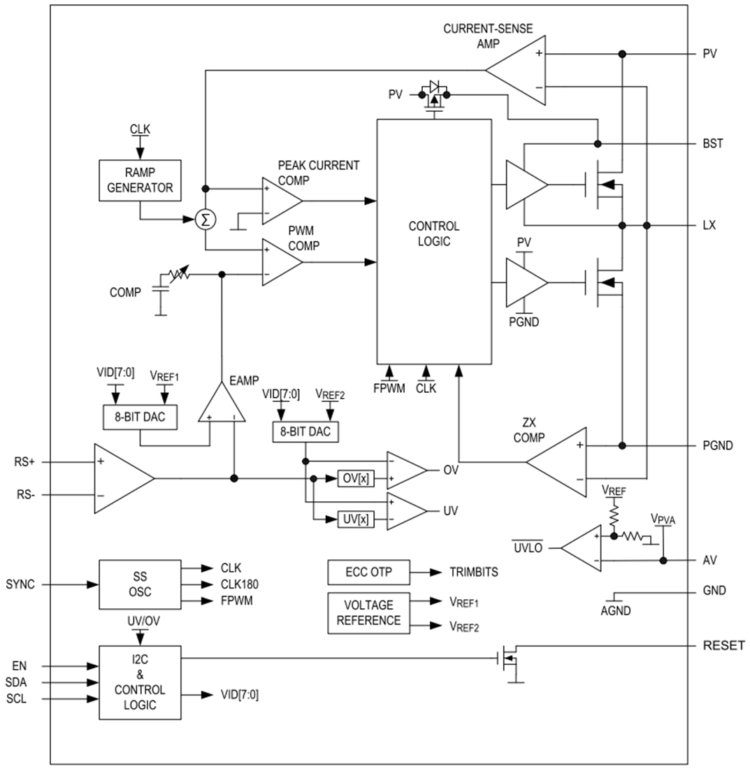
Blockdiagramm

Blockdiagramm - Analog Devices / Maxim Integrated MAX20011x Abwärtswandler
Veröffentlichungsdatum: 2021-11-08 | Aktualisiert: 2024-06-10