Analog Devices Inc. MAX18066/MAX18166 DC/DC-Abwärtsregler

Analog Devices Inc. MAX18066/MAX18166 DC/DC-Abwärtsregler liefern einen Ausgangsstrom von bis zu 4 A mit hohem Wirkungsgrad. Die Bauteile arbeiten mit einer Eingangsspannung von 4,5 V bis 16 V und bieten eine einstellbare Ausgangsspannung von 0,606 V bis 90 % der Eingangsspannung. Die Bauteile eignen sich hervorragend für verteilte Stromversorgungssysteme, Notebook-Computer, nicht tragbare Unterhaltungselektronik und Vorregelungsapplikationen. Die Bauteile verfügen über einen PWM-Modusbetrieb mit einer intern festgelegten Schaltfrequenz von 500 kHz (MAX18066) und 350 kHz (MAX18166), die zu einem maximalen Tastverhältnis von 90 % fähig sind. Die Bauteile wechseln bei leichten Lasten automatisch in den Skip-Modus. Die Strommodus-Steuerarchitektur vereinfacht das Kompensationsdesign und sorgt für eine Zyklus-für-Zyklus-Strombegrenzung und eine schnelle Anschwingzeit auf Leitungs- und Lasttransienten. Ein Transkonduktanz-Fehlerverstärker mit hoher Gain ermöglicht Flexibilität bei der Einstellung der externen Kompensation, vereinfacht das Design und ermöglicht ein Vollkeramik-Design.

Die synchronen Abwärtsregler verfügen über interne MOSFETs, die einen besseren Wirkungsgrad als asynchrone Lösungen bieten und gleichzeitig das Design im Vergleich zu diskreten Controller-Lösungen vereinfachen. Zusätzlich zur Vereinfachung des Designs reduzieren die integrierten MOSFETs die EMI, reduzieren die Boardfläche und bieten eine höhere Zuverlässigkeit durch Reduzierung der Anzahl externer Komponenten. Zusätzliche Funktionen umfassen einen extern einstellbaren Sanftanlauf, einen unabhängigen Freigabeeingang und einen Power-Good-Ausgang für die Leistungssequenzierung und den Übertemperaturschutz. Die Bauteile bieten einen Überstromschutz (High-Side-Quelle) mit Hiccup-Modus während einer Kurzschluss-Bedingung am Ausgang. Die Bauteile gewährleisten eine sichere Inbetriebnahme beim Einschalten in einen vorgespannten Ausgang. Die MAX18066/MAX18166 sind in einem 16-Bump-(4x4-Array)-WLP-Gehäuse (Wafer-Level-Package, WLP) von 2 mm x 2 mm mit einem Rastermaß von 0,5 mm verfügbar und sind vollständig von -40 °C bis +85 °C spezifiziert.

Merkmale

  • Funktionsintegration reduziert die Lösungsgröße
    • Integrierte 40 mΩ (High-Side) und 18,5 mΩ (Low-Side) RDS-ON Leistungs-MOSFETs
    • Stabil mit Keramik-Ausgangskondensatoren mit niedrigem ESR
    • Freigabeeingang und Power-Good-Ausgang
    • Zyklus-für-Zyklus-Überstromschutz
    • Vollständig gegen Überstrom (Hiccup-Schutz) und Übertemperatur geschützt
  • Hoher Wirkungsgrad spart Strom
    • Wirkungsgrad von bis zu 96 % (5-V-Eingang und 3,3-V-Ausgang)
    • Wirkungsgrad von bis zu 93 % (12-V-Eingang und 3,3-V-Ausgang)
    • Automatischer Skip-Modus bei leichten Lasten
  • Sicherer, zuverlässiger, präziser Betrieb
    • Dauerausgangsstrom: 4 A
    • ±1 % Ausgangsgenauigkeit in Bezug auf Last, Leitung und Temperatur
    • Sichere Inbetriebnahme in den vorgespannten Ausgang
    • Programmierbarer Soft-Start
    • VDD -LDO-Unterspannungssperre
  • Gut geeignet für verteilte Stromversorgungs-, Netzwerk- und Computerapplikationen
    • 4,5 V bis 16 V Eingangsspannungsbereich
    • Einstellbarer Ausgangsspannungsbereich von 0,606 V bis (0,9 x VIN)
  • Erhältlich im EE-Sim®-Design- und Simulationstool zur Verkürzung der Designzeit

Applikationen

  • Verteilte Stromversorgungssysteme
  • Vorregler für Linearregler
  • Home Entertainment (TV und Set-Top-Boxen)
  • Netzwerk und Datenkommunikation
  • Server, Workstations und Speicher

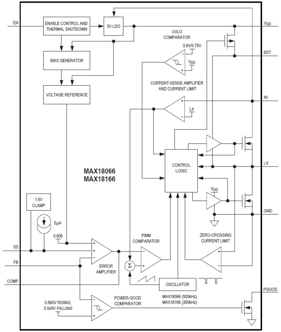
Blockdiagramm

Blockdiagramm - Analog Devices Inc. MAX18066/MAX18166 DC/DC-Abwärtsregler
Veröffentlichungsdatum: 2020-03-24 | Aktualisiert: 2025-08-25