Analog Devices Inc. MAX17853 Leistungsmanagement-IC

Der Leistungsmanagement-IC (PMIC) MAX17853 von Analog Devices Inc. ist eine ASIL-D-konforme Einzelchip-Batterieüberwachungslösung für mittlere bis große Akkus mit Zellenzahlkonfiguration in Elektro- und Hybridfahrzeugen. Der MAX17853 verwendet die flexible Architektur Flexpack, die es Entwicklern ermöglicht, Änderungen an Modulkonfigurationen vorzunehmen, um schnell auf Marktanforderungen zu reagieren. Da der MAX17853 sowohl Hoch- als auch Niederspannungs-Batteriemodule überwachen kann, können Entwickler ein System erstellen, das das höchste Niveau an Sicherheit für Spannung, Temperatur und Kommunikation erfüllt. Der MAX17853 umfasst auch ein Batteriezellenausgleichssystem, das automatisch jede Zelle nach Zeit und Spannung ausgleicht, um das Risiko einer Überladung zu minimieren.

Der MAX17853 kann 14 Zellspannungen messen und sechs Temperatur- oder Systemspannungsmessungen mit vollständig redundanten Messengines in 263 µs kombinieren oder alle Eingänge ausschließlich mit der ADC-Messengine in 156 µs ausführen. Es gibt 14 interne Ausgleichsschalter, die für den >300 mA für den Zellenausgleichsstrom eingestuft sind, die jeweils umfangreiche integrierte Diagnosefunktionen unterstützen. Bis zu 32 Bauteile können verkettet werden, um 448 Zellen zu verwalten und 192 Temperaturen zu überwachen.

Zellen- und Sammelschienen-Spannungen im Bereich von -2,5 V bis +5 V werden differentiell über einen Gleichtaktbereich von 65 V mit einer typischen Genauigkeit von 1 mV (3,6-V-Zelle, +25 °C) gemessen. Wenn eine Überabtastung aktiviert ist, können bis zu 128 Messungen pro Kanal intern mit einer 14-bit-Auflösung gemittelt und mit einer digitalen Nachverarbeitungs-IIR-Filterung (Infinite Impulse Response) kombiniert werden, um eine erhöhte Rauschimmunität zu erzielen. Das System kann sich im Falle einer thermischen Überlastung durch Messung der eigenen Chip-Temperatur selbst abschalten.

Der MAX17853 verwendet ein Batteriemanagement-UART- oder SPI-Protokoll von Analog Devices für eine robuste Kommunikation. Er ist zur Unterstützung eines reduzierten Funktionssatzes interner Diagnosefunktionen und einer Schnellwarnmeldungskommunikation über sowohl Embedded-Kommunikations- als auch Hardware-Alarm-Schnittstellen optimiert und unterstützt die Anforderungen von ASIL-D- (Automotive Safety Integrity Level D) und FMEA (Failure Modes and Effects Analysis).

Der MAX17853 ist in einem LQFP-Gehäuse (Low Profile Quad Flat Pack) von 10 mm2 erhältlich und verfügt über einen breiten Betriebstemperaturbereich von -40 °C bis +125 °C.

Merkmale

  • 65 V Betriebsspannung
  • Extrem stromsparender Betrieb
    • Standby-Modus: 2 mA
    • Abschaltmodus: 2 µA
  • Redundante ADC- und Komparator(COMP)-Akquisitionen
  • Gleichzeitige Zellen- und Sammelschienen-Spannungserfassung
  • 14 Zellspannungs-Messkanäle
    • Genauigkeit von 1 mV(3,6 V, +25 °C)
    • Genauigkeit von 2 mV (+5 °C bis +40 °C)
    • Genauigkeit von 4,5 mV (-40 °C bis +125 °C)
  • 14 Zellenausgleichsschalter
    • Software-programmierbarer Ausgleichsstrom: >300 mA
    • Optimierte Fahr- und Park-Balancing-Modi
    • Automatisches Balancing mit einzelnen Zellen-Timern
    • Automatisches Balancing durch Zellenspannung
    • Notfallentlademodus
  • 6 konfigurierbare Hilfseingänge für Temperatur, Spannung oder GPIO
  • Integrierte Chip-Temperaturmessung
  • Automatischer thermischer Schutz
  • Individuell konfigurierbare Sicherheitswarnung
    • Überspannungs-, Untertemperaturfehler
    • Unterspannungs-, Übertemperaturfehler
    • Zellen-Diskrepanz-Meldung
  • Unterstützt ASIL-D-Anforderungen für Zellspannung, Temperatur und Kommunikation
  • Wählbare UART-, Dual-UART- oder SPI-Schnittstelle
  • Batteriemanagement-UART-Protokoll
    • Verkettung von bis zu 32 Bauteilen
    • Kapazitive Kommunikationsanschluss-Isolierung
    • Baudrate von bis zu 2 MBit/s (automatische Erkennung)
    • Laufzeitverzögerung von 1,5 µs (pro Bauteil)
    • Paket-Fehlerprüfung (PEC)
  • Konfigurierbare Hardware-Alarm-Schnittstellen
  • Werkseitig getrimmter Oszillator (keine externen Quarze erforderlich)
  • Einzigartige 32-bit-Bauteil-ID
  • Gehäuseausführung: LQFP-64
  • Gehäuseabmessungen: 10 mm x 10 mm

Applikationen

  • Elektrofahrzeuge (EVs)
  • Hybrid-Elektrofahrzeuge (HEV)
  • Elektrofahrräder
  • Batterie-Backup-Systeme (USV)
  • Batteriebetriebene Werkzeuge
  • Hochspannungs-Batteriestapel
  • Superkondensator-Systeme

Videos

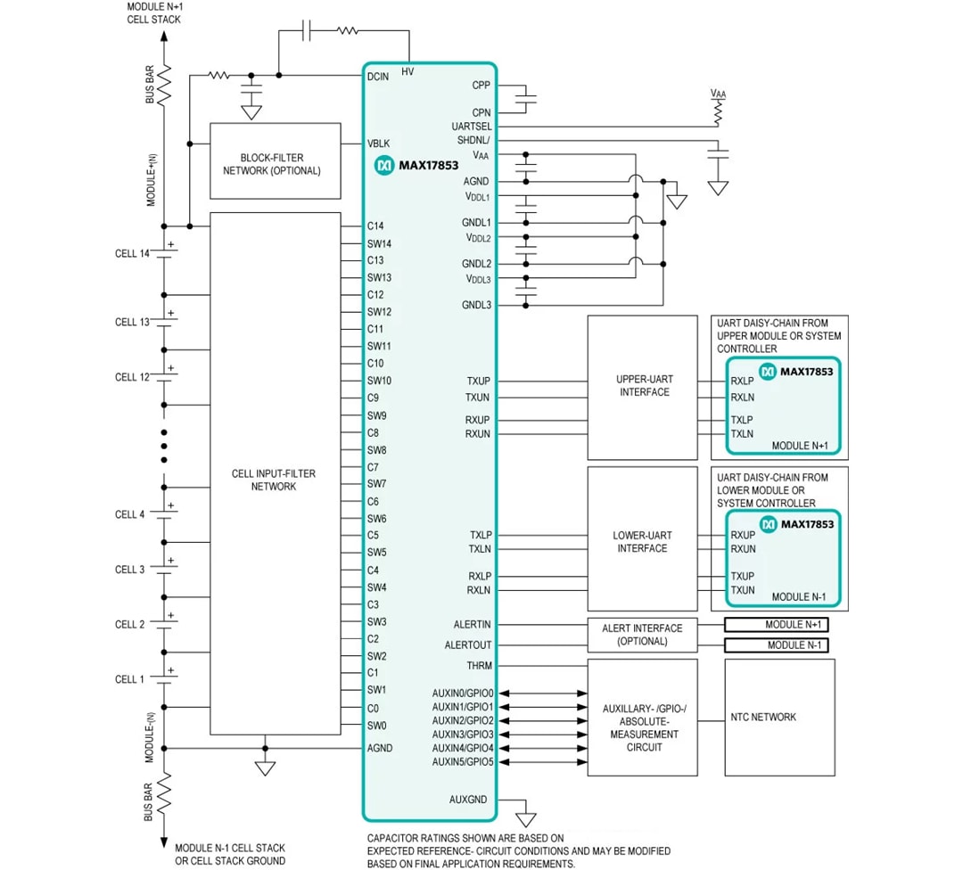
Vereinfachte Applikations-Schaltung

Applikations-Schaltungsdiagramm - Analog Devices Inc. MAX17853 Leistungsmanagement-IC
Veröffentlichungsdatum: 2020-03-09 | Aktualisiert: 2024-04-30