Analog Devices Inc. MAX17843 Hochspannungs-Smart-Sensor
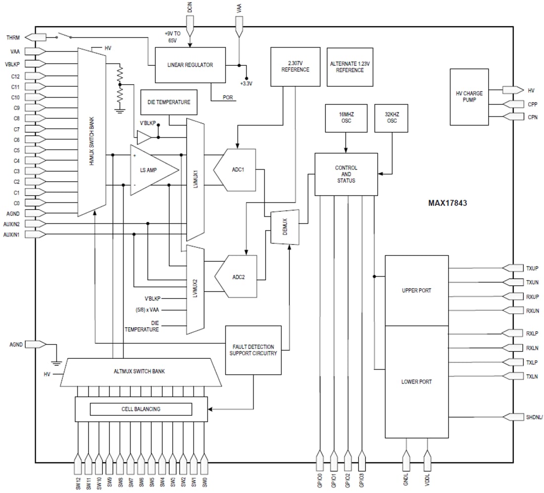
Der Analog Devices Inc. MAX17843 Hochspannungs-Smart-Sensor ist eine programmierbare, hochintegrierte 12-Kanal-Smart-Hochspannungs-Schnittstelle für Datenerfassung und Batterieüberwachung mit umfangreichen Sicherheitsfunktionen. Der Sensor ist für den Einsatz mit Batterien für Automotive-Systemen, Hybrid-Akkus, Elektroautos und jedes System optimiert, das lange Reihen von Sekundärmetallbatterien stapelt. Dieser hochintegrierte Batteriesensor enthält einen differenziellen Hochgeschwindigkeits-UART-Bus für eine robuste verkettete serielle Kommunikation.Das Analog-Frontend kombiniert ein 12-Kanal-Datenerfassungssystem zur Spannungsmessung mit einem Hochspannungs-Schaltbankeingang. Alle Messungen werden differentiell über jede Zelle durchgeführt. Der gesamte Messbereich reicht von 0 bis 5,0 V mit einem nutzbaren Bereich von 0,2 V bis 4,8 V. Ein Hochgeschwindigkeits-Analog-Digital-Wandler mit sukzessiver Approximation (SAR) wird verwendet, um die Zellspannungen mit einer Auflösung von 12 Bit und Überabtastung zu digitalisieren. Alle 12 Zellen können in weniger als 142 µs gemessen werden. Der MAX17843 verwendet einen Zwei-Scan-Ansatz für die Erfassung von Zellmessungen und deren Fehlerkorrektur. Dieser 2-Phasen-Ansatz liefert eine hervorragende Genauigkeit über Temperatur und in Umgebungen mit hoher Rauschbelastung.
Der MAX17843 ist mit zwei analogen Hilfseingängen ausgestattet, die zur Messung von externen Thermistor-Komponenten verwendet werden können. Ein Thermistor mit negativem Temperaturkoeffizienten (NTC) kann mit den analogen AUXIN-Eingängen konfiguriert werden, um das Modul oder die Batteriezellentemperatur genau zu überwachen. Ein thermischer Überlastdetektor deaktiviert den Linearregler des MAX17843 zum Schutz des ICs und eine Chip-Temperaturmessung ist ebenfalls verfügbar.
Merkmale
- 12-Zellen-Batteriespannungsmessung für Lithium-Ionen-, NiMH- oder Superkondensator-Zellen
- 2 x Analoge Hilfseingänge für NTC-Thermistor oder absolute Spannungsmessung
- Chip-Temperaturmessung und Alarm
- Differential-Mess-I/Os mit hoher Genauigkeit
- Genauigkeit von ±2 mV bei +25 °C und 3,6 V
- Integriertes 12-Kanal-Datenerfassungssystem
- Differential-Hochspannungs-MUX zu ADC
- 14-Bit-ADC-Auflösung mit Überabtastung
- 12 Zellspannungen gemessen innerhalb von 142 μs
- Modul-Spannungsmessung
- Redundanter ADC
- Batterie-Fehlererkennung
- Über- und Unterspannungserkennung mit digitalem Schwellenwert
- Verbesserte Diagnosefunktionen für die Fehlererkennung zur Unterstützung von ASIL und FMEA
- 12 interne Zellenausgleichsschalter
- Unterstützt bis zu 150 mA pro Schalter
- Notzellen-Entladungsmodus
- Integrierter 9-V- bis 65-V-Eingangs-Linearregler
- Integrierte temperaturkompensierte Spannungsreferenz
- Robuste differenzielle Verkettungs-UART-Schnittstelle
- Bis zu 32 x verbundene ICs in einer einzigen Verkettung
- Kompatibel mit direkter MCU-Verbindung
- Standard-UART-Byte bei einer Rate von 2 MBit/s (max.)
- 4 x digitale Universal-I/O-Leitungen
- Integrierte Diagnosefunktionen zur Unterstützung von ASIL-D- und FMEA-Anforderungen
- Extrem geringe Verlustleistung
- Versorgungsstrom im Standby-Modus: 2,0 mA (typisch)
- Ableitstrom im Abschaltmodus: 3 µA
- Betriebstemperaturbereich: -40 °C bis +125 °C (AEC-Q100 Klasse 1)
- Bleifreies/RoHS-konformes 64-Pin-Gehäuse von 10 mm x 10 mm
Applikationen
- 48-V-Fahrzeugbatteriemodule oder -systeme
- Akku
- E-Bikes
- Hochstrom-Batteriebackup-Systeme
- Hochspannungs-Elektrofahrzeug (EVs)
- Hybrid-Elektrofahrzeuge (HEVs)
- Elektrowerkzeuge
- Supercap-Backup-Systeme
Videos
Funktionales Blockdiagramm
