Analog Devices / Maxim Integrated MAX17673A PMIC
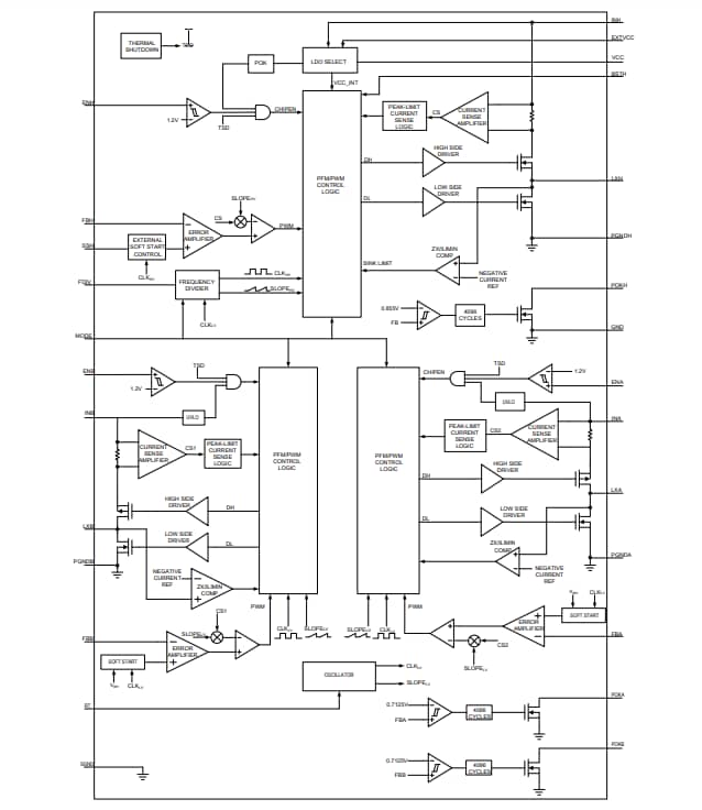
Der Maxim Integrated MAX17673A Leistungsmanagement-IC (PMIC) enthält einen synchronen 60-V-Hochspannungs-DC/DC-Abwärtsregler mit hohem Wirkungsgrad und zwei synchrone 5,5-V-DC/DC-Abwärtsregler mit hohem Wirkungsgrad. Die drei Regler bieten integrierte Leistungs-MOSFETs. Der Hochspannungs-DC/DC-Abwärtsregler arbeitet mit einer Eingangsspannung von 4,5 V bis 60 V und unterstützt Lastströme von bis zu 1,5 A sowie regelnde Ausgangsspannungen von 0,9 V bis 5,5 V. Die LV-Regler werden von einem Eingangsspannungsbereich von 2,7 V bis 5,5 V betrieben und unterstützen Lastströme von bis zu 1 A sowie regelnde Ausgangsspannungen von 0,75 V auf 4,8 V.Der MAX17673A verfügt über eine unabhängige Spitzenstrommodus-Steuerung, einen Hiccup-Modus-Überstromschutz, einen ENABLE-Eingang und ein Power-OK-Signal in den drei Reglern. Das Bauteil bietet eine Schaltfrequenz, die in den LV-Reglern zwischen 1 MHz und 4 MHz eingestellt werden kann und der HV-Regler kann für den Betrieb bei einer fraktionalen Schaltfrequenz der LV-Regler programmiert werden. Der HV-Regler bietet eine einstellbare Soft-Start-Funktion, während die LV-Regler über einen internen festen Soft-Start verfügen. Nutzer können das Bauteil entweder mit einer Impulsfrequenzmodulation (PFM) oder einer erzwungenen Pulsbreitenmodulation (PWM) betreiben.
Das Bauteil arbeitet über einen Temperaturbereich von -40 °C bis +125 °C und eignet sich hervorragend für Industriesteuerungs-Netzteile, Basisstations-Netzteile und Hochspannungs-Einzelboardsysteme.
Merkmale
- Reduziert die Anzahl externer Komponenten und die Gesamtkosten
- Synchroner Betrieb für einen hohen Wirkungsgrad
- Interne Kompensation für einen großen Ausgangsspannungsbereich
- Vollkeramikkondensatoren, kompaktes Layout
- Enthält drei DC/DC-Regler
- Großer Eingangsspannungsbereich von 4,5 V bis 60 V für den HV-Regler. Eingangsbereich für die LV-Regler von 2,7 V bis 5,5 V.
- Einstellbarer Ausgang von 0,9 V bis 5,5 V für den HV-Regler und ein Ausgang von 0,75 V bis zu 4,8 V für die LV-Regler.
- Liefert einen Laststrom von bis zu 1,5 A für den HV-Regler und einen Laststrom von 1 A für die LV-Regler
- Einstellbare Schaltfrequenz: 250 kHz bis 800 kHz für den HV-Regler und 1 MHz bis 4 MHz für die LV-Regler
- Programmierbares LV/HV-Schaltfrequenzverhältnis (2, 3, 4, 5, 6, 7, 8)
- EN/UVLO für HV-Abwärtsregler und EN für LV-Regler
- Reduziert die Verlustleistung
- 550 µA in PFM 10,2 mA im PWM-Modus-Ruhestrom
- Spitzenwirkungsgrad von >92 %
- Hilfs-Bootstrap-LDO für einen verbesserten Wirkungsgrad
- PFM-Modus für hohen Wirkungsgrad bei niedriger Last
- 7,4 μA Abschaltstrom
- Zuverlässiger Betrieb in widrigen Industrieumgebungen
- Spitzenstrombegrenzungsschutz
- Hiccup-Modus-Überlastschutz
- Softstart reduziert Einschaltstrom beim Start (einstellbar für HV-Regler)
- Eingebaute Ausgangsspannungsüberwachung mit POKH, POKA und POKB
- Monotoner Start in vorgespannte Last
- Übertemperaturschutz
- Betriebstemperaturbereich: -40 °C bis +125 °C
Applikationen
- Netzteile für Industriesteuerungen
- FPGA/CPLD-Netzteil
- Verteilte Versorgungsregulierung
- Netzteile für Basisstation
- Hochspannungs-Einzelboard-Systeme
Blockdiagramm
