Analog Devices / Maxim Integrated MAX17662 Synchroner DC/DC-Abwärtswandler
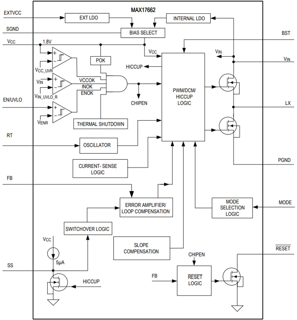
Der Maxim MAX17662 synchrone DC/DC-Abwärtswandler wird mit integrierten MOSFETs geliefert und über einen Eingangsspannungsbereich von 3,5 V bis 36 V betrieben. Der Wandler kann einen Strom von bis zu 2 A liefern. Die Ausgangsspannung ist von 0,6 V bis zu 90 % VIN programmierbar. Eine integrierte Kompensation für den Ausgangsspannungsbereich beseitigt die Notwendigkeit für externe Komponenten. Der MAX17662 verfügt über eine Spitzenstrommodus-Steuerungsarchitektur. Der MAX17662 kann im erzwungenen Pulsbreitenmodulations(PWM)- oder diskontinuierlichen Leitungsmodus (DCM) betrieben werden, um einen hohen Wirkungsgrad bei Volllast- und Leichtlastbedingungen zu ermöglichen. Der MAX17662 bietet eine minimale Einschaltzeit, die höhere Schaltfrequenzen und eine kleinere Lösungsgröße ermöglicht. Die Rückkopplungs-Spannungsregelungsgenauigkeit über -40 °C bis +125 °C liegt bei ±1,33 %. Das Bauteil ist in einem 16-Pin-TQFN-Gehäuse (3 mm x 3 mm) erhältlich.Merkmale
- Reduziert die Anzahl externer Komponenten und die Gesamtkosten
- Kein Synchronisationsbetrieb durch Schottky
- Integrierte Kompensationskomponenten
- Vollkeramik-Kondensatoren, kompaktes Layout
- Verringert die Anzahl der zu lagernden DC/DC-Regler
- Großer Eingangsbereich von 3,5 V bis 36 V
- Ausgangsspannungsbereich einstellbar von 0,6 V bis 90 % VIN
- Liefert bis zu 2 A über den Temperaturbereich
- Einstellbare Frequenz: 400 kHz bis 2,2 MHz
- Erhältlich in einem 16-Pin-TQFN-Gehäuse von 3 mm x 3 mm
- Reduziert die Verlustleistung
- Spitzenwirkungsgrad von 95 %
- DCM-Modus ermöglicht einen erweiterten Wirkungsgrad bei niedriger Last
- Großer Bootstrap-Bias-Eingang (EXTVCC) von 2,4 V bis 12 V für einen verbesserten Wirkungsgrad
- Abschaltstrom: 6,5 μA
- Zuverlässiger Betrieb in widrigen Industrieumgebungen
- Hiccup-Modus-Überlastschutz
- Verstellbares und monotones Einschalten mit vorgespannter Ausgangsspannung
- Eingebaute Ausgangsspannungsüberwachung mit RESET
- Programmierbarer EN-/UVLO-Schwellenwert
- Übertemperaturschutz
- Hoher Industrie-Umgebungsbetriebstemperaturbereich von -40 °C bis +125 °C/Sperrschichttemperaturbereich von -40 °C bis +150 °C
Applikationen
- Netzteile für die Industriesteuerung
- Universal-Punktlast
- Verteilte Versorgungsregelung
- Netzteile für Basisstation
- Regelung des Wandtransformators
- Hochspannungs-Einzelboardsysteme
Blockdiagramm
Veröffentlichungsdatum: 2019-12-12
| Aktualisiert: 2023-05-08
