Analog Devices / Maxim Integrated MAX17612AEVKIT Evaluierungskit

Das MAX17612AEVKIT Evaluierungskit von Maxim demonstriert den MAX17612A 4,5V- bis 60V-Strombegrenzer mit OV-, UV- und Sperrschutz. Das MAX17612AEVKIT ist vollständig bestückt und auf 4,5 V UVLO- sowie 36 V OVLO-programmiert. Das MAX17612AEVKIT Evaluierungskit ist zur Demonstrationen der einstellbaren Überspannung, Unterspannung, verschiedenen Strombegrenzungstypen und verschiedenen Strombegrenzungs-Schwellenwerte ausgelegt. Das Kit verfügt über eine TVS-Diode über den gesamten Eingang und eine Schottky-Diode über die Ausgangsanschlüsse.

Merkmale

  • 4,5 V bis 60 V Betriebsspannungsbereich
  • Verfügt über eine TVS-Diode über den gesamten Eingang und eine Schottky-Diode über die Ausgangsanschlüsse
  • Evaluiert UVLO, OVLO, drei Strombegrenzungstypen und den Strombegrenzungs-Schwellenwert
  • UVLO-programmiert auf 4,5 V
  • OVLO-programmiert auf 36 V
  • Über Steckbrücken konfigurierbare Strombegrenzung (standardmäßig als 250 mA ausgewählt)
  • Strombegrenzungsmodus standardmäßig auf automatischen Wiederholversuch eingestellt
  • Bewährtes PCB-Layout
  • Vollständig bestückt und getestet

Applikationen

  • Zustandsüberwachung
  • Fabriksensoren
  • Industrielle Applikationen wie PLC, Netzwerk-Steuermodule, batteriebetriebene Module
  • Prozess-Messgeräte
  • Sensorsysteme
  • Wiege- und Dosiersysteme

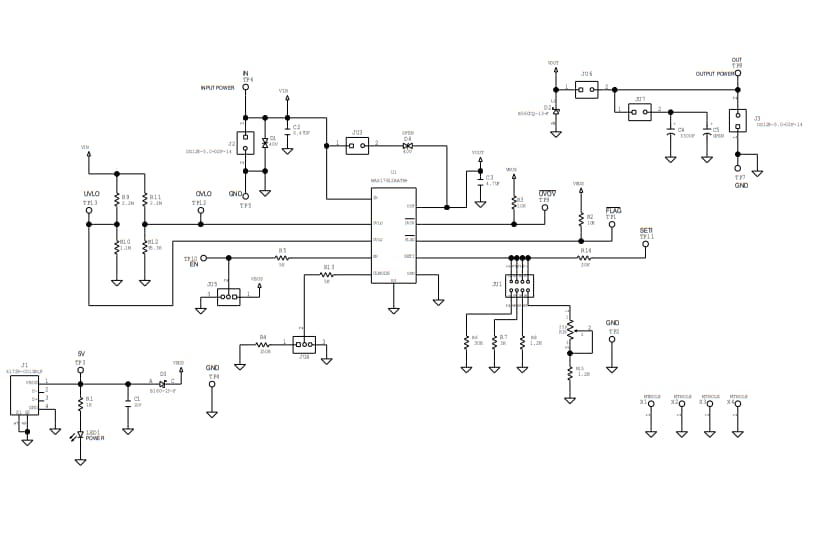
Schaltplan

Schaltplan - Analog Devices / Maxim Integrated MAX17612AEVKIT Evaluierungskit
Veröffentlichungsdatum: 2018-10-26 | Aktualisiert: 2023-04-24