Analog Devices / Maxim Integrated MAX17600-05 Duale MOSFET-Treiber
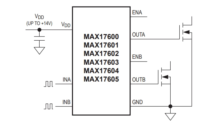
Die MAX17600-MAX17605 Dualen MOSFET-Treiber von Maxim Integrated sind Hochgeschwindigkeitskomponenten, die in der Lage sind als Quelle/Senke für 4A Spitzenstrom betrieben werden zu können. Diese Komponenten weisen verschiedene invertierende und nichtinvertierende Optionen auf, die eine größere Flexibilität bei der Steuerung der MOSFETS ermöglichen. Die MAX17600-MAX17605 MOSFET-Treiber verfügen über interne Logikschaltungen, die einen Durchbruch während der Änderung des Ausgangszustands verhindert. Die Logikeingänge widerstehen Spannungsspitzen bis zu +14V, unabhängig von der VDD-Spannung. Die Laufzeitverzögerung wird minimiert und zwischen zwei Kanälen abgestimmt. Die schnelle Schaltzeit dieser Komponenten von Maxim Integrated kombiniert mit kurzen Laufzeiten (12ns (Richtwert) machen sie ideal für Hochfrequenz-Schaltungen. Diese Komponenten werden von einer Einzelversorgung von + 4V bis +14V betrieben und verbrauchen normalerweise 1mA Versorgungsstrom. Die MAX17600 / MAX17601 Komponenten haben Standard-TTL-Eingangslogikebenen, während die MAX17603 / MAX17604 / MAX17605 über CMOS-ähnliche Eingangslogikebenen mit höchstzulässigen Lärmpegeln (HNM) verfügen. MAX17600 / MAX17603 sind Dual-Umrichter-Eingangstreiber, MAX17601 / MAX17604 sind duale nicht-umrichtende Eingangstreiber und die MAX17602 / MAX17605 Komponenten verfügen über einen nicht-umrichtenden und einen umrichtenden Eingang. Diese Komponenten sind mit Aktivierungskontakten (ENA, ENB) zur besseren Steuerung des Treiberbetriebs erhältlich.MAX17600 / MAX17601 devices have standard TTL input logic levels, while MAX17603 / MAX17604 / MAX17605 have CMOS-like high-noise margin (HNM) input logic levels. MAX17600 / MAX17603 are dual inverting input drivers, MAX17601 / MAX17604 are dual noninverting input drivers, and MAX17602 / MAX17605 devices have one noninverting and one inverting input. Analog Devices MAX17600-MAX17605 Dual MOSFET Drivers are provided with enable pins (ENA, ENB) for better control of driver operation.
ADI MAX17600–MAX17605 evaluation kits provide a proven design to evaluate the MAX17600–MAX17605.
Merkmale
- Dual driver with enable inputs
- +4V to +14V Single power-supply range
- 4A Peak sink /source current
- Inputs rated to +14V, regardless of VDD voltage
- Low 12ns propagation delay
- 6nTypical rise and 5n typical fall times with 1nF load
- Matched delays between channels
- Parallel operation of dual outputs for larger
- Driver output current
- TTL or HNM logic-level inputs with hysteresis for noise immunity
- Low input capacitance: 10pF (typ)
- Thermal shutdown protection
- TDFN, μMAX, and SO package options
- -40ºC to +125ºC Operating temperature range
Technische Daten
- Logic polarity
- Inverting
- MAX17600
- MAX17603
- Noninverting
- MAX17601
- MAX17604
- Mixed
- MAX17602
- MAX17605
- Inverting
Applikationen
- Power MOSFET switching
- Switch-Mode power supplies
- DC-DC converters
- Motor control
- Power-supply modules
Typical Operating Circuit
Veröffentlichungsdatum: 2013-01-10
| Aktualisiert: 2023-04-13
