Analog Devices / Maxim Integrated MAX16141 Ideal-Dioden-Controller

Der MAX16141 Ideal-Dioden-Controller von Maxim Integrated bietet einen Systemschutz gegen zahlreiche Systemfehler, wie z. B. Sperrstrom-, Überstrom-, Eingangs-Überspannungs-/-Unterspannungs- und Übertemperaturbedingungen. Dieser MAX16141 Dioden-Controller ist mit einem großen Betriebsspannungsbereich von 3,5 V bis 36 V und einem Abschaltstrom von 5 µA (typisch) verfügbar. Der MAX16141 Controller nutzt eine integrierte Ladungspumpe, die das Gate der externen Kreuzschaltungs-nFETs 9 V über dem Quellenanschluss antreibt. Dadurch wird der Leistungsverlust zwischen der Quelle und der Last reduziert. Der MAX16141 Controller nutzt eine stromsparende Abschaltfunktion, die das Entladen der Batterie reduziert. Dieser MAX16141 Dioden-Controller trennt die fehlgeschlagene Versorgung von der Last durch das Sperren des bidirektionalen Stroms und der bidirektionalen Spannung beim Öffnen.

Die MAX16141 Controller verfügen über einen stromsparenden Modus, der es ermöglicht, den Strom zur Last und zum internen Schalter zu begrenzen und im Abschaltmodus Strom zu sparen. Diese MAX16141 Dioden-Controller verfügen außerdem über einen Fehlerausgang, der Schutz während Fehlerbedingungen bietet. Zu den typischen Applikationen gehören Automotive-Leistungssysteme, Netzwerk-/Telekommunikations-Leistungssysteme, RAID-Systeme, Server und Power-over-Ethernet-Systeme (PoE).

Merkmale

  • Großer Spannungsbereich:
    • Betriebsspannungsbereich von 3,5 V bis 36 V
    • Schutz-Spannungsbereich von -36 V bis 60 V
  • Verhindert eine Verlustleistung der diskreten Diode
  • Stromsparende Abschaltfunktion reduziert das Entladen der Batterie:
    • 5 µA (typisch) Abschaltstrom
    • Laufzeitschalter trennt UVLO- und OVLO-Schaltkreise bei der Abschaltung
  • Trennt die fehlgeschlagene Versorgung von der Last:
    • Bidirektionale Stromsperre beim Öffnen
    • Bidirektionale Spannungssperre beim Öffnen
  • Stromschutz:
    • Im Werk einstellbare Überstrom-Auslöseschwellenwerte
    • Im Werk einstellbare Sperrstrom-Auslöseschwellenwerte
  •  Widerstand-einstellbare Überspannungs- und Unterspannungs-Auslöseschwellenwerte
  • Automotive-qualifiziert:
    • Arbeitet bis hinunter zu 3,5V und beseitigt Kaltstartbedingungen
    • -40 °C bis 125 °C Betriebstemperaturbereich
  • n-Kanal-MOSFET-Gate-Treiber für VIN +8 V
  • Fehlerausgang:
    • UVLO, OVLO, Überstrom, Sperrstrom und thermische Abschaltung

Applikationen

  • Automotive-Leistungssysteme
  • Netzwerk-/Telekommunikations-Leistungssysteme
  • RAID-Systeme
  • Server
  • PoE-Systeme

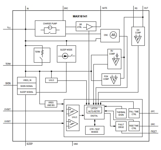
MAX16141 Controller Blockdiagramm

Blockdiagramm - Analog Devices / Maxim Integrated MAX16141 Ideal-Dioden-Controller

MAX16141 Applikations-Schaltung

Applikations-Schaltungsdiagramm - Analog Devices / Maxim Integrated MAX16141 Ideal-Dioden-Controller

MAX16141 Betriebseigenschaften

Tabelle - Analog Devices / Maxim Integrated MAX16141 Ideal-Dioden-Controller

MAX16141 Pin-Diagramm

Technische Zeichnung - Analog Devices / Maxim Integrated MAX16141 Ideal-Dioden-Controller
Veröffentlichungsdatum: 2018-09-12 | Aktualisiert: 2024-10-30