Analog Devices / Maxim Integrated MAX14940 PROFIBUS/RS-485 Halb-Duplex-Transceiver
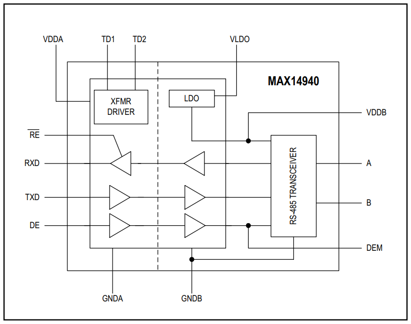
Der Maxim MAX14940 20Mbps PROFIBUS/RS-485 Halb-Duplex-Transceiver ist ein isolierter RS-485/PROFIBUS DP-Transceiver, der eine galvanische Trennung von 2750VRMS (60s) bietet. Diese Isolation wird zwischen der Kabelseite (RS-485 Treiber/Empfängerseite) und der UART-Seite des Bausteins bereitgestellt. Die Isolation sorgt für eine verbesserte Kommunikation indem die Masseschleifen unterbrochen und das Rauschen reduziert wird, wenn große Massepotential-Differenzen zwischen den Ports auftreten. Dieser Baustein ermöglicht eine sichere Kommunikation bis zu 20Mbps. Der Baustein enthält einen integrierten 450kHz Transformertreiber für die Leistungsübertragung mit einem externen Transformer zur Kabelseite des Transceivers. Ein integrierter LDO bietet eine einfache und platzsparende Methode für die Entwicklung von isolierter DC-DC-Stromversorgung.The Analog Devices MAX14940 Half-Duplex PROFIBUS/RS-485 Transceiver is available in a wide-body 16-pin SOIC package and operates over the -40°C to +105°C temperature range.
Merkmale
- High integration simplifies designs
- Integrated LDO for cable-side power
- Integrated transformer driver for power transfer to cable side has up to 80% efficiency at 150mA load
- High-performance transceiver enables flexible designs
- Compliant with RS-485 EIA/TIA-485 and EIA 61158-2 Type 3 PROFIBUS-DP standards
- 20Mbps (max) data rate
- Up to 128 devices on the bus
- Safety regulatory approvals
- UL according to UL1577
- cUL According to CSA Bulletin 5A
- Integrated protection for robust communication
- ±35kv ESD (HBM) on driver outputs/receiver inputs
- 75kVRMSwithstand isolation voltage for 60s (VISO)
- 630VPEAKmaximum repetitive peak-isolation voltage (VIORM)
- 445VRMSmaximum working-isolation voltage (VIOWM)
- > 30 years lifetime at rated working voltage
- Withstands ±10kV surge per IEC 61000-4-5
- Thermal shutdown
- Physical characteristics
- -40°C to +105°C temperature range
- SOIC-16 (W) package
Applikationen
- HVAC
- Industrial automation equipment
- Power meters
- Programmable logic controllers
Block Diagram
Veröffentlichungsdatum: 2016-03-24
| Aktualisiert: 2023-04-12
