Analog Devices Inc. MAX20087 Evaluierungskit
Das Analog Devices Inc. MAX20087 Evaluierungskit demonstriert die vollständigen Funktionen der MAX2008x Kamera-Leistungsschutz-ICs. Dieses Evaluierungskit wird als eigenständig oder mit einem Controller über eine I2C-Schnittstelle für eine fortschrittliche Steuerung und Diagnose betrieben. Das MAX20087 Kit ist mit dem MAX20087 IC bestückt, der über vier Ausgangskanäle und eine vollständige Suite von Diagnosefunktionen verfügt, die für die Kompatibilität mit ASL-Klasse-Applikationen aktiv sind. Dieses Kit ist mit allen evaluierten Ausführungen kompatibel, indem der bestehende IC durch den gewünschten ersetzt wird. Das MAX20087 Evaluierungskit ermöglicht den gleichzeitigen und unabhängigen Betrieb und die Evaluierung der geschützten Ausgangsleistungskanäle. Dieses Evaluierungskit verfügt über integrierte Schnittstellen zum Betrieb des Bauteils ohne Lesen eines externen I2C-Controllers.Merkmale
- Eingang-zu-Ausgangs-Kanalwiderstand: 400 mΩ (typisch)
- Automatische Abschaltung und Wiederholung der UV- und OC-Ausgangsbedingungen reduzieren die IC-Verlustleistung
- Kanäle werden während Überspannungsbedingungen kontinuierlich abgeschaltet, um den Rest des Systems zu schützen
- Zu einem grundlegenden eigenständigen Betrieb oder einer erweiterten Steuerung und Diagnose über eine I2C-Schnittstelle fähig
- Bewährtes PCB-Layout
- Vollständig bestückt und getestet
Applikationen
- Leistung-über-Koaxial für Radar
- Kameramodule
Erforderliche Ausrüstung
- 3,3 V netzteil
- 12 V Stromversorgung
- 0,5 A und elektronische ohmsche Last von 25 Ω
- Digitales Multimeter (DMM)
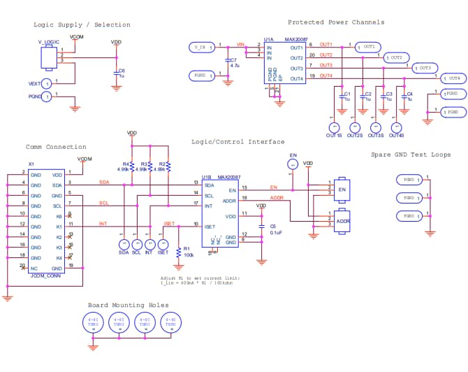
Schaltplan
Veröffentlichungsdatum: 2020-03-26
| Aktualisiert: 2024-05-07
