Analog Devices Inc. SCP-LT3045-1-EVALZ Evaluierungsboard

Das Analog Devices Inc. SCP-LT3045-1-EVALZ Evaluierungsboard ist zur Evaluierung des LT3045-1 ICs, einem leistungsstarken Low-Dropout-Linearregler ausgelegt. Dieses Board ist ein 20-V-Low-Dropout-Regler (LDO) von 500 mA, der einen rauscharmen Betrieb in rauschempfindlichen Schaltungen bietet. Das SCP-LT3045-1-EVALZ Board ist für einen großen Ausgangsbereich konfiguriert und bietet einen extrem leisen Betrieb mit einem hohen PSR. Dieses Board kann einfach in andere SCP-Boards eingesteckt werden, um ein vollständiges Signalketten-Leistungssystem zu bilden, das eine schnelle Evaluierung der stromsparenden Signalketten ermöglicht.

Merkmale

  • Rauscharmer Betrieb in rauschempfindlichen Schaltungen
  • Maximale Eingangsspannung (VIN(MAX)): 20 V
  • Maximale Ausgangsspannung (VOUT(MAX)): 19,5 V
  • Maximaler Ausgangsstrom (IOUT(MAX)): 500 mA

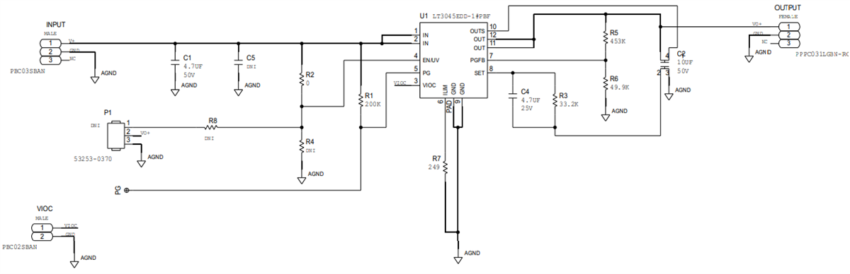
Schaltplan-Diagramm

Schaltplan - Analog Devices Inc. SCP-LT3045-1-EVALZ Evaluierungsboard
Veröffentlichungsdatum: 2021-03-09 | Aktualisiert: 2022-03-11