Analog Devices / Maxim Integrated MAXM17225 nanoPower-Aufwärtsmodule
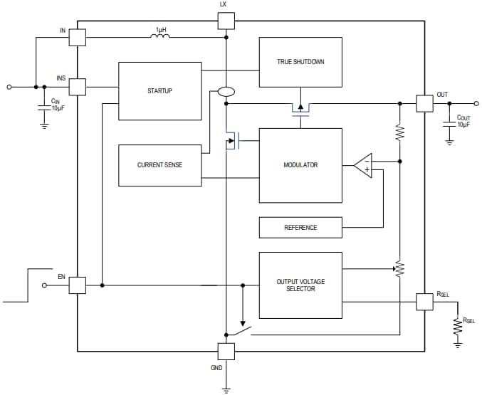
Die nanoPower-Aufwärtsmodule der Baureihe MAXM17225 von Analog Devices bieten einen extrem niedrigen IQ -Wert (300 nA), der die Batterielaufzeit und die Produktlebensdauer der in einem winzigen eMGA-Gehäuse untergebrachten Bauteile verlängert wird. Das Bauteil MAXM17225 hat yum Start Spannungen von nur 0,88 V, und nach dem Start kann die Eingangsspannung VIN bis auf 0,4 V sinken. Diese Spannungen machen das MAXM17225 ideal für batteriebetriebene Geräte, die im Laufe der Zeit eine Spannungsentladung erfahren. Das MAXM17225 von ADI akzeptiert Eingangsspannungen von 0,4 V bis 5,5 V und erhöht diese auf programmierbare Ausgangsspannungen von 1,8 V bis 5 V. Die Ausgangsspannung wird mit einem einzelnen externen Widerstand (RSEL) eingestellt. Der MAXM17225 enthält einen maximalen Wirkungsgrad von 95 %. Das Modul eignet sich hervorragend für Applikationen wie batteriebetriebene Geräte und tragbare Elektronik, bei denen eine Aufwärtswandlung in platzbeschränkten Gehäusen erforderlich ist, während gleichzeitig ein hoher Wirkungsgrad erforderlich ist. Eine tatsächliche Abschaltung trennt den Eingang vom Ausgang und schont so die Batterielaufzeit.Merkmale
- Verlängert die Batterielaufzeit
- Extrem niedriger Ruhestrom: 300 nA
- 0,5 nA Abschaltstrom
- 95 % Spitzenwirkungsgrad
- Echte Abschaltfunktion
- Ausgang trennt vom Eingang
- Null-Vorstrom/Rückstrom von VIN, VOUT
- Robuste Leistungsmerkmale umfassen
- Interne Strombegrenzung
- Integrierter Soft-Start
- PFM-Steuerschema für einen höheren Wirkungsgrad bei Betrieb mit geringer Last
- Gängiger Betrieb mit benutzerfreundlichen Adressen
- VIN bei 5,5 V bis zu 0,4 V
- Minimale Einschaltspannung von 0,88 V
- VOUT mit einzelnem Widerstand, einstellbar von 1,8 V bis 5 V
- VOUT, Auswahlauflösung in 100-mV-Schritten
- 1 A Induktivitäts-Spitzenstrombegrenzung
- Reduzierte Größe und erhöhte Zuverlässigkeit
- 2,1 mm x 2,6 mm, 10-lead eMGA-Gehäuse
- Betriebstemperaturbereich von --40 °C bis + +125 °C
Applikationen
- Gesundheitsüberwachungs- und Fitnessgeräte
- Extrem stromsparende IoT-Module
- BLUETOOTH® LE-Bauteile
- Wearables
- Tragbare Kassenterminals (POS)
- USB On-The-Go Adaptermodule, USB-Laden
- Superkondensator-Backup für RTC-/Alarmsummer
- Einzel- oder Dual-Zellen-Alkali-Batterieprodukte
Videos
Vereinfachtes Blockdiagramm
Typische Applikations-Schaltung
Veröffentlichungsdatum: 2024-05-02
| Aktualisiert: 2025-08-14
