Analog Devices Inc. LTC7897 Synchrone Abwärtsregler
Die LTC7897 Synchronen Abwärtsregler von Analog Devices sind leistungsstarke synchrone DC/DC-Abwärtsschaltregler-Controller, die zu einem Tastverhältnis von 100 % fähig sind und alle synchronen n-Kanal-MOSFET-Leistungsstufen ansteuern. Die Synchrongleichrichtung verbessert den Wirkungsgrad, reduziert den Leistungsverlust und erleichtert das Applikationsdesign durch die Reduzierung der thermischen Anforderungen.Die großen Eingangs- und Ausgangsspannungsbereiche des LTC7897 von ADI ermöglichen hohe Untersetzungsverhältnisse und eine große Auswahl von positiven bis negativen Spannungsumwandlungen. Die Gate-Treiber des LTC7897 bieten Robustheit mit einer maximalen Nennleistung von 15 V ABS sowie Flexibilität mit einstellbaren Antriebsstufen und Totzeiten zur Optimierung von Applikationen. Die Gate-Treiber-Spannung des LTC7897 kann optional von 5 V bis 10 V angepasst werden, um eine Verwendung von Logikpegel- oder Standard-Schwellenwert-MOSFETs zu ermöglichen. Die Totzeiten des LTC7897 können mit externen Widerständen für die Begrenzung oder zur Anpassung der Applikation für einen höheren Wirkungsgrad und zur Unterstützung eines Hochfrequenzbetriebs optimiert werden.
Merkmale
- Großer VIN-Bereich von 4 V bis 135 V (140 V ABS max.)
- Großer Ausgangsspannungsbereich von 0,8 V ≤ VOUT ≤ 135 V (140 V ABS max.)
- Einstellbarer Gate-Treiber-Pegel von 5 V bis 10 V (OPTI-DRIVE, 15 V abs. Max.)
- Einstellbare Treiberspannungs-UVLO
- Gate-Treiber mit geteiltem Ausgang für einstellbare Einschalt- und Ausschalttreiberstärken
- Adaptive oder über einen Widerstand einstellbare Totzeiten
- Betrieb mit 100 % Tastverhältnis
- Niedriger IQ von 5 μA (48 VIN bis 3,3 VOUT)
- Frequenzspreizungsmodulation
- Programmierbare Frequenz (100 kHz bis 2,5 MHz)
- Synchronisierbare Frequenz (100 kHz bis 2,5 MHz)
- 28-Pin-QFN-Gehäuse (4 mm x 5 mm)
Applikationen
- Industrielle Energiesysteme
- Militär/Avionik
- Leistungssysteme für Telekommunikation
Typische Applikation
VOUT-Wirkungsgrad
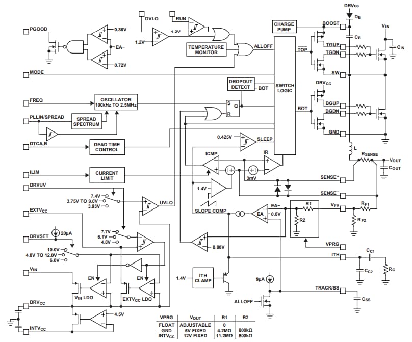
Blockdiagramm
