Analog Devices Inc. LTC7878 4 Regler Auf-/Abwärtswandler
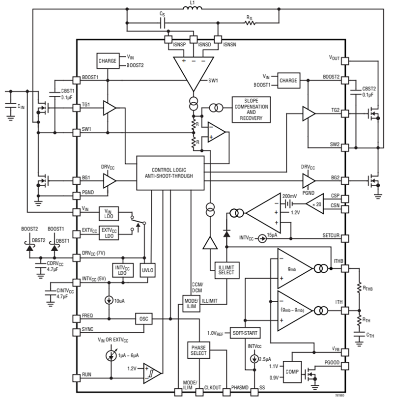
Der Analog Devices Inc. LTC7878 4-Switch Auf-/Abwärtswandler ist ein Hochleistungs-Schaltregler, der mit einer Eingangsspannung oberhalb, unterhalb oder gleich der Ausgangsspannung arbeitet. Eine Architektur mit konstanter Frequenz und Spitzenstrommodus ermöglicht eine phasenverriegelbare Schaltfrequenz von bis zu 600kHz. Die programmierbare Eingangs-/Ausgangsstromschleife regelt den durchschnittlichen Eingangs-/ Ausgangsstrom, um Anwendungen zum Laden von Batterien präzise zu unterstützen. Der LTC7878 bietet einen weiten Eingangs-/Ausgangsbereich von 5V bis 70V und nahtlose, rauscharme Übergänge zwischen den Betriebsbereichen. Aus diesem Grund eignet sich dieser ideal für Industrie- und Telekommunikationssysteme.Das LTC7878 arbeitet im Forced-Continuous-Modus (FCM)/ Pulse-Skipping-Modus und unterstützt den Parallelbetrieb von Multiphasen-/ Multi-ICs für Applikationen mit einer hohen Leistung. Der Niedrigprofil-Regler im 32-poligen QFN-Gehäuse verfügt über eine programmierbare Induktivität-Strombegrenzung, eine intelligente EXTV CC-Hilfsversorgung und einem 7 V N-Kanal-Gate-Treiber. Ein PGOOD-Pin zeigt an, wenn der Ausgang innerhalb von 10 % seines Sollwerts liegt.
Merkmale
- Die Induktivitäts-Architektur ermöglicht ein VIN über, unter oder gleich des geregelten VOUT
- Synchrongleichrichtung mit bis zu 98 % Wirkungsgrad
- Breiter 5 V bis 70 V VIN Bereich
- ±1 % Ausgangs-Spannungs-Genauigkeit (1 V ≤ VOUT ≤ 70 V)
- DCR- oder RSENSE-Stromsensoren
- Spitzenstromregelung im Buck-/ Boost-/ BuckBoost-Modus
- Programmierbare Eingangs- oder Ausgangsstromregelung
- 7 V NMOS Gate-Treiber
- Phasenverriegelbare Frequenz (100kHz bis 600kHz)
- Parallelbetrieb von Multiphasen/ Multi-ICs
- Wählbarer kontinuierlicher oder Puls-Skipping-Modus
- Betriebs- und Induktivitäts-Spitzenstrombegrenzungen
- Kleines 32-lead 5 mm 2 QFN-Gehäuse
- -40 °C bis +125 °C Sperrschicht-Betriebstemperatur-Bereich
Applikationen
- Industrie- und Telekommunikationssysteme
- Verteilte DC-Leistungs- oder Batterie-Systeme
Typische Applikation
Blockdiagramm
Veröffentlichungsdatum: 2022-12-29
| Aktualisiert: 2023-06-06
