Analog Devices Inc. LTC7852 Schaltregler
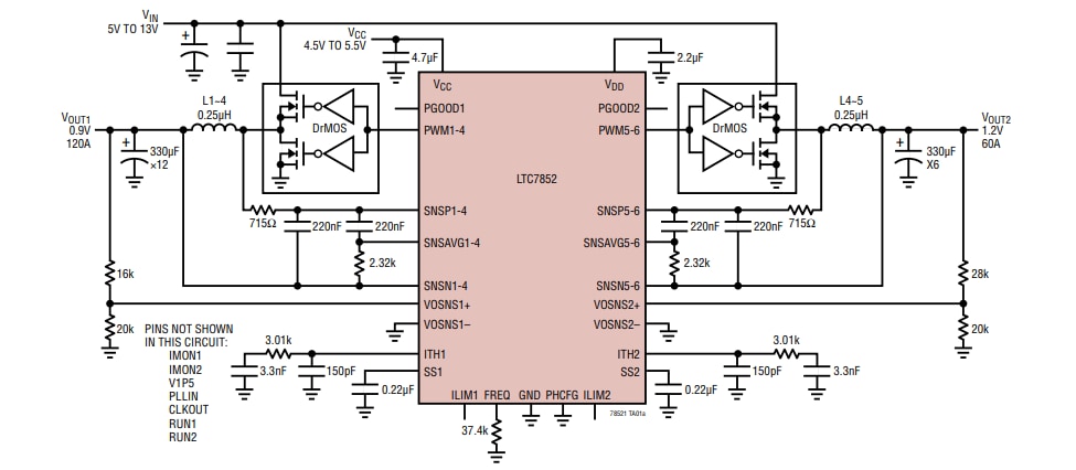
Analog Devices Inc. LTC7852 Schaltregler bieten eine sechsstufige und duale synchrone Ausgangsstrommodus-Abwärtsschaltung. Der LTC7852 arbeitet zusammen mit externen Antriebsstrang-Bauteilen, wie z. B. DrMOS, Leistungsblöcke oder diskrete n-Kanal-MOSFETs und dazugehörigen Gate-Treibern. Das Bauteil verfügt über ein flexibles Design, das 1-, 2-, 3-, 4-, 5- und 6-phasige Konfigurationen ermöglicht. Der LTC7852 bietet eine einzigartige Funktion, die das Signal-Rausch-Verhältnis des Stromerfassungssignals verbessert. Diese Funktion ermöglicht den Einsatz von Induktivitäten mit sehr niedrigen DC-Wicklungswiderständen für einen maximalen Wirkungsgrad.Merkmale
- Sub-Milliohm-DCR-Erkennung oder DrMOS mit Strommessung verbessert den Wirkungsgrad
- Kann mit Leistungsblöcken, DrMOS oder externen Gate-Treibern und MOSFETs betrieben werden
- Ausgangsspannungsgenauigkeit von insgesamt ±0,5 %
- tON(MIN) = 40 ns, zu sehr niedrigen Taktverhältnissen bei hohen Frequenzen fähig
- Dual-Differential-Fernerkundungsverstärker
- Flexible Phasenkonfiguration
- Dual-Ausgangs-Stromüberwachung
- Programmierbarer Frequenzbereich von 200 kHz bis 1,2 MHz
- VIN-Bereich wird durch den IC nicht begrenzt
- VCC-Bereich: 4,5 V bis 5,5 V
- VOUT-Bereich: 0,5 V bis 2,0 V
- 48-Pin-GQFN für LTC7852 (5 mm × 6 mm)
- 36-Pin-QFN für LTC7852-1 (4 mm x 5 mm)
Applikationen
- Computersysteme
- Telekommunikations- und Datenkommunikationssysteme
- DC-Leistungsverteilungssysteme
Typische Applikation
Videos
Veröffentlichungsdatum: 2019-04-12
| Aktualisiert: 2023-10-03
