Analog Devices Inc. LTC2876 und LTC2877 RS485-Transceiver
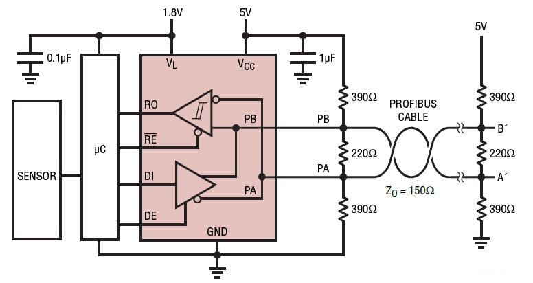
Linear Technology/Analog Devices TC2876 und LTC2877 RS485-Transceiver sind PROFIBUS RS485-Transceiver, die Prüfvorgaben für PROFIBUS-DP Master und PROFIBUS-DP Slaves erfüllen. Die Transceiver sind mit IEC 61158-2, Typ 3: Medium Attachment Unit (MAU), vollständig kompatibel. Der LTC2876/LTC2877 unterstützt alle PROFIBUS-Datenraten bis zu 12 MBit/s bei einem Betrieb bis zu 20 MBit/s.Merkmale
- PROFIBUS IEC 61158-2-konform
- Schutz vor Überspannungsleitungsfehlern bis ±60 V
- ±52 kV für elektronische Entladungsschnittstellen-Pins, ±15 kV für alle anderen Pins
- +2 kV (Stufe 4) IEC61000-4-4 schneller, transienter Ausbruch
- ±25 V Arbeitsgleichtaktbereich
- 20 Mbps maximale Baudrate
- 1,65 V bis 5,5 V Logik-Netzteil-Pin für flexible digitale Schnittstelle (LTC2877)
- Erhältlich in kleinen DFN- und MSOP-Gehäusen
- Vollständig ausgeglichene Differentialempfänger-Schwellwerte mit 240 mV Hysterese für überlegene Störungstoleranz und niedrige Tastverhältnis-Verzerrung
- In Applikationen mit niedrigem Stromverbrauch und geringen Schwingungen kann die 5 V Versorgung bis auf 3 V reduziert werden
- Empfänger-Ausfallsicherung für offene, Kurzschluss- und Anschlussbedingungen
- Großer Betriebstemperaturbereich: -40 °C bis +125 °C
Applikationen
- PROFIBUS-DP
- Industrielle Kommunikationsnetzwerke
- RS485- und RS422-Systeme
- 3 V Differentielle Niederspannungssignalgebung
Typische Applikation
Veröffentlichungsdatum: 2017-04-25
| Aktualisiert: 2022-03-11
