Analog Devices Inc. LT8630 Synchrone Abwärts-Schaltregler
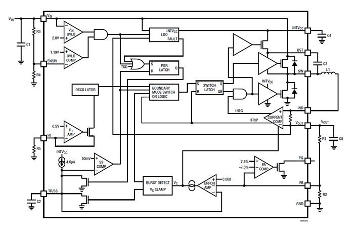
Die Linear Technology/Analog Devices Inc. LT®8630 PWM-Strommodus-DC/DC-Abwärtswandler mit internen Synchronschaltern bieten Strom für Ausgangslasten von bis zu 0,6 A. Die Komponenten verfügen über einen großen Eingabebereich von 3 V bis 100 V. Die Bauteile eignen sich für die Stromregelung einer Vielzahl von Quellen, darunter Automobil- und Industriesysteme und Telekommunikationsversorgungen mit 36 V bis 72 V. Der LT8630 ist in einem 20-Pin-TSSOP-Gehäuse mit freiliegendem Pad für einen niedrigen thermischen Widerstand und Anschlussabstand für Hochspannungsapplikationen erhältlich.Die variable Frequenzgrenzmodusumschaltung maximiert den Wirkungsgrad über einen weiten Eingangsspannungsbereich. Der Burst-Modus mit geringer Restwelligkeit sorgt für hocheffizienten Betrieb, während gleichzeitig die Ausgangswelligkeit unter 5 mV gehalten wird. Die Soft-Start-Funktion steuert die Rampenrate der Ausgangsspannung, wodurch der Eingangsstoßstrom bei gleichzeitiger Bereitstellung der Einschaltfolge während des Anlaufs eliminiert wird. Ein Power-Good-Flag signalisiert, wenn die Ausgangsspannung innerhalb von ±7,5 % des geregelten Ausgangs liegt. Die Unterspannungs-Sperre kann mithilfe des EN/UV-Pins programmiert werden. Der Abschaltmodus reduziert den Gesamtruhestrom auf <5 µA.
Merkmale
- Sehr breiter Eingangsspannungsbereich: 3 V bis 100 V
- Boundary-Modus-Schaltung für höchsten Wirkungsgrad
- Ausgangsspannungsbereich: 0,8 V bis 60 V
- Interne synchrone Schalter
- Burstmode®-Betrieb: 16 µA IQ bei 12 VIN bis 5 VOUT; 7 µA IQ bei 48 VIN bis 5 VOUT
- Maximales Tastverhältnis von 99 % für niedrigen Dropout
- Stromspitzensteuerungsmodus
- Programmierbare Unterspannungs-Sperre
- Power-Good-Flag
- Flexible Verfolgungsfunktion für Ausgangsspannung
- Kurzschlussschutz
- Niedriger Abschaltstrom: 5 µA
- Toleriert offene Kurzschluss-Pinfehler
- Thermisch verbessertes 20-poliges TSSOP-Gehäuse mit Anschlussabstand für Hochspannungsapplikationen
Applikationen
- Automobil-Netzteile
- Telekom-Netzteile
- Verteilte Versorgungsregulierung
Blockdiagramm
Veröffentlichungsdatum: 2017-04-25
| Aktualisiert: 2025-01-29
