Analog Devices Inc. LT8390 Synchrone Auf-/Abwärtswandler
Analog Devices LT8390 Controller sind synchrone Auf-/Abwärtswandler mit vier Schaltern. Die Controller setzen eine Eingangsspannung in eine Ausgangsspannung sowie einen Eingangs- oder Ausgangsstrom um, wobei die Eingangsspannung größer, kleiner oder genauso groß wie die Ausgangsspannung sein kann. Das Spitzen-Abwärts-/Spitzen-Aufwärts-Strommodus-Steuerschema ermöglicht einen einstellbaren und synchronisierbaren Festfrequenzbetrieb von 150 kHz bis 650 kHz. Das Steuerschema erlaubt auch eine interne ±15 % Dreiecks-Frequenzspreizungsmodulation für niedrige EMI.Die Controller bieten einen Eingangsspannungsbereich von 4 V bis 60 V und eine Ausgangsspannungskapazität von 0 V bis 60 V sowie nahtlose rauscharme Übergänge zwischen Betriebsbereichen. Die LT8390 Controller eignen sich hervorragend für Applikationen wie Spannungsregler sowie eine Batterie- und Superkondensator-Ladeschaltung in Automotive-, Industrie-, Telekommunikations- und sogar batteriebetriebenen Systemen.
Merkmale
- Die Einzelinduktivitäts-Architektur mit vier Schaltern ermöglicht eine VIN, die größer, kleiner oder gleich groß wie die VOUT ist
- Synchrone Schaltung: Wirkungsgrad bis zu 98 %
- Proprietärer Spitze-Abwärts-Spitze-Aufwärts-Strommodus
- Großer VIN-Bereich: 4 V bis 60 V
- ±1,5 % Ausgangsspannungsgenauigkeit: 1 V ≤ VOUT ≤ 60 V
- 3 % Eingangs- oder Ausgangsstromgenauigkeit mit Überwachung
- Frequenzspreizungsmodulation für niedrige EMI
- High-Side-PMOS-Lastschalter-Treiber
- Integrierte Bootstrap-Dioden
- Kein oberes MOSFET-Aktualisierungsrauschen im Abwärts- oder Aufwärtsmodus
- Einstellbar und synchronisierbar: 150 kHz bis 650 kHz
- VOUT getrennt von VIN während Abschaltung
- Erhältlich in einem 28-Pin-TSSOP-Gehäuse mit freiliegendem Pad und einem
- 28-Pin-QFN-Gehäuse (4 mm × 5 mm)
Applikationen
- Automotive-, Industrie-, Telekommunikationssysteme
- Batteriebetriebenes Hochleistungssystem
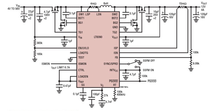
Typische Applikation
Technical Articles
Eliminate Switching Noise with 4-Switch Buck-Boost Controller with Pass-Thru Capability
There are several DC-to-DC converter topologies that can perform both step-up and step-down operations, from SEPIC to 4-switch topologies, but none of these solutions pass the input voltage directly to the output without actively switching - until now, that is.
4-Switch Buck-Boost Controller Layout for Low Emissions
Automotive application circuits must meet strict EMI standards to avoid interfering with broadcast and mobile service frequency bands so careful layout is imperative.
Power By Linear
