Analog Devices Inc. LT6375 Spannungs-Differenzverstärker
Die LT6375 Spannungs-Differenzverstärker von Linear Technology/Analog Devices sind Differenzverstärker mit Verstärkungsfaktor Eins, die eine DC-Präzision, einen großen Gleichtaktbereichseingang und einen großen Versorgungsspannungsbereich kombinieren. Diese Verstärker umfassen einen Präzisions-Operationsverstärker mit Over-the-Top®-geschützten Eingängen, die einen robusten Betrieb in Umgebungen mit unvorhersehbaren Bedingungen gewährleisten. Die LT6375-Verstärker verfügen über ein gutes Gleichtaktunterdrückungsverhältnis (CMRR) einen geringen Gain-Fehler, einen präzise abgestimmten Dünnschichtwiderstand und eine niedrige Verstärkungsdrift. Zu den typischen Applikationen gehören Industrie-Datenerfassungs-Frontends, präzise Differenzverstärker, Ersatz für Trennschaltungen und Hoch-zu-Niederspannungspegelumsetzung.Merkmale
- ±270 V Gleichtaktspannungsbereich
- CMRR von mind. 97 dB (LT6375A)
- 0,0035 % (35 ppm) maximaler Gain-Fehler (LT6375A)
- Offsetspannung von max. 300 µV (LT6375A)
- Gain-Fehlerdrift von max. 1 ppm/°C
- Verstärkungs-Nichtlinearität von max. 2 ppm
- Großer Versorgungsspannungsbereich von 3,3 V bis 50 V
- Spezifizierter Temperaturbereich von -40 °C bis 125 °C
- Rail-to-Rail-Ausgang
- 350 µA Versorgungsstrom
- Wählbares Teilerverhältnis für internen Widerstand
- Bandbreite von 575 kHz und -3 dB (Widerstandsteiler = 7)
- Bandbreite von 375 kHz und -3 dB (Widerstandsteiler = 20)
- Abschaltung bei geringer Leistung von 20 μA (nur DFN-Gehäuse)
- Platzsparende MSOP- und DFN-Gehäuse
Applikationen
- Industrie-Datenerfassungs-Frontends
- Präzisionsdifferenzverstärker
- Bidirektionale Stromsensoren mit großem Gleichtaktbereich
- High-Side- oder Low-Side-Stromsensoren
- Ersatz für Isolierungs-Schaltungen
- Hoch-zu-Niederspannungspegelumsetzung
Typische Applikations-Schaltung
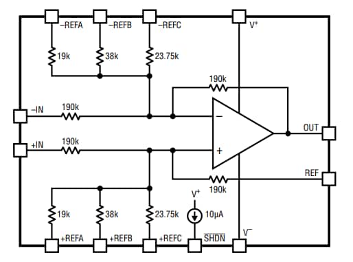
Blockdiagramm
Veröffentlichungsdatum: 2018-10-04
| Aktualisiert: 2023-02-24
