Analog Devices Inc. HMC648ALP6E Digitale 6-Bit-Phasenschieber
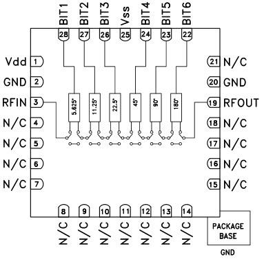
Analog Devices Die HMC648ALP6E digitalen 6-Bit-Phasenschieber können einen Phasenbereich von 360 Grad und ein LSB von 5,625 Grad abdecken. Der HMC648ALP6E ist für 2,9 bis 3,9 GHz eingestuft und verfügt über eine sehr niedrige RMS-Phasenabweichung von 1,2 Grad und die extrem niedrige Einfügungsdämpfung jeder Stufe beträgt ±0,5 dB. Die positiven 0/+5V-Logiksteuerungen kontrollieren diesen präzisen Phasenschieber. Der HMC648ALP6E ist ohne externe Komponenten intern auf 50 Ω angepasst.Merkmale
- Low RMS phase error 1.2°
- Low insertion loss 5dB
- High linearity +45dBm
- Positive control logic
- 360° coverage, LSB = 5.625°
- 28 lead 6mm x 6mm SMT package 36mm²
Applikationen
- EW receivers
- Weather and military radar
- Satellite communications
- Beamforming modules
- Phase cancellation
Functional Diagram
Veröffentlichungsdatum: 2016-07-28
| Aktualisiert: 2022-03-11
