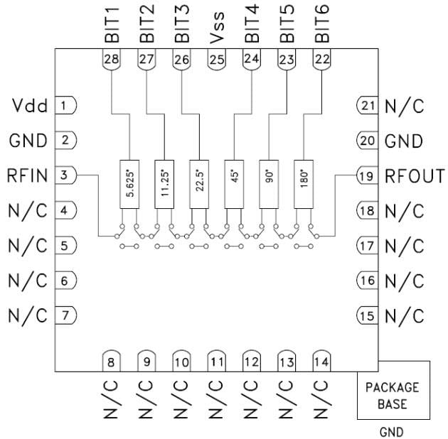
Analog Devices Inc. HMC647ALP6E Digitaler 6-Bit-Phasenschieber
Analog Devices Die HMC647ALP6E digitalen 6-Bit-Phasenschieber können einen Phasenbereich von 360° und ein LSB von 5,625° abdecken. Der HMC647ALP6E ist für 2,5 bis 3,1 GHz eingestuft und verfügt über eine sehr niedrige RMS-Phasenabweichung von 1,5 Grad und die extrem niedrige Einfügungsdämpfung jeder Stufe beträgt ±0,4 dB. Die positiven 0/+5V-Logiksteuerungen kontrollieren diesen präzisen Phasenschieber. Der HMC648ALP6E ist ohne externe Komponenten intern auf 50 Ω angepasst.Merkmale
- Low RMS phase error 1.5°
- Low insertion loss 4dB
- High linearity +50dBm
- Positive control logic
- 360° coverage, LSB = 5.625°
- 28 lead QFN leadless SMT package 36mm²
Applikationen
- EW receivers
- Weather radars
- Military radars
- Satellite communications
- Beamforming modules
- Phase cancellation
Functional Diagram
Related Accessory
Veröffentlichungsdatum: 2016-07-28
| Aktualisiert: 2022-03-11
