Analog Devices Inc. EVAL-LTPA-KIT Labor-Tool
Das Labortool EVAL-LTPA-KIT oder das Kit LTpowerAnalyzer von Analog Devices Inc. werden für die Bewertung und Charakterisierung der Stromversorgungsdesigns verwendet. Dieses Tool kann die Körperreaktion, die Übergangsreaktion und die Ausgangsimpedanz messen. Das Tool EVAL-LTPA-KIT kombiniert sich mit den Fähigkeiten des Lernmoduls ADALM2000 und bietet dadurch eine hohe Portabilität. Dieses TOOL besteht aus 1 A 10 A 50 A und 100 A Stromzangenvarianten für transiente Messungen. Das EVAL-LTPA-KIT enthält eine Basisplatine, Interposer-Platinen, eine LT8642A Demo-Platine und Steckersockel. Dieses LTpowerAnalyzer ist ideal für Anwendungen in der Labortechnik.Merkmale
- Entwickelt für Laborinstrumentierung
- Impedanz Bode-Reaktion, Einschwingverhalten und Ausgangsimpedanz
- Bietet hohe Portabilität
- USB-betriebenes Gerät
- Kompatibel mit dem Modul ADALM2000
- Mit benutzerfreundlichen Schnittstellen und Dokumentationen für Hardware und Software, die eine einfache Bewertung von Stromversorgungsdesigns ermöglichen
- Jede Stromsonde kann als DC Last bis zu 8 W in ruhender Luft verwendet werden
Lieferumfang Kit
- EVAL-LTPA-KIT Basisplatine
- LT8642A Demoboard
- Interposer-Karten
- Schnittstelle A-Karte
- Interface B Karten (5 Stück)
- Schnittstelle C-Karte
- Steckverbinder Sockel (2 Teile)
- 2" 16-poliges Flachbandkabel
- 8" 14-poliges Flachbandkabel
- Stromsonden
- 1 A Stromzange
- 10 A Stromsonde
- 50 A Stromsonde
- 100 A Stromzange
Videos
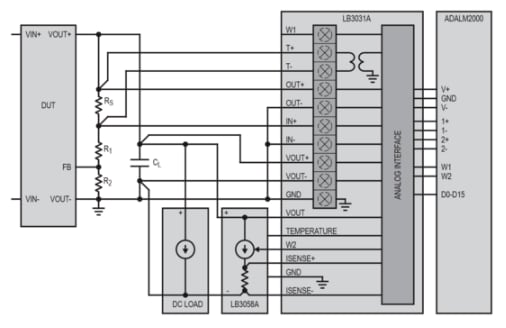
Blockdiagramm
Veröffentlichungsdatum: 2025-01-29
| Aktualisiert: 2025-12-03
