Analog Devices Inc. EVAL-LTC3313EV-A-Z Evaluierungsboard
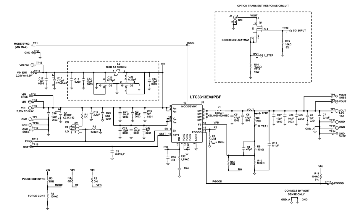
Das Analog Devices Inc. EVAL-LTC3313EV-A-Z Evaluierungsboard ist für den Betrieb im erzwungenen kontinuierlichen Modus mit einer Schaltfrequenz von 2 MHz ausgelegt. Dieses Evaluierungsboard verfügt über den synchronen LTC3313 Silent Switcher®, der als 1,2 V, 15 A Ausgangsabwärtsregler fungiert. Das EVAL-LTC3313EV-A-Z Board kann auch mit verschiedenen Schaltfrequenzen oder im Pulse-Skipping-Modus betrieben werden. Der LTC3313 Oszillator kann auch mit einem MODUS/SYNC-Revolver in der EVAL-LTC3313EV-A-Z Standardeinstellung mit einem externen Taktgeber synchronisiert werden. Dieses Evaluierungsboard reduziert die leitungsgeführte EMI über den EMI-Filter, der durch Anwenden der Eingangsspannung am VIN EMI-Anschluss einbezogen werden kann.Der LTC3313 ist ein monolithischer Strommodus-DC/DC-Abwärtswandler mit konstanter Frequenz. Dieser DC/DC-Wandler unterstützt eine Ausgangsspannung (VOUT) von 0,5 V bis zur Eingangsspannung (VIN) mit Betriebsfrequenzen von 500 kHz bis zu 5 MHz. Die Silent Switcher-Technologie auf dem DC/DC-Wandler optimiert schnelle Stromschleifen und vereinfacht die Reduzierung von EMI- und EMV-Emissionen.
Merkmale
- Transiente Schaltung für die Evaluierung von Lasttransienten enthalten
- EMI-Filter enthalten, um das Rauschen in EMI-Emissionstests zu reduzieren
- MODE-Pin Pull-up-Option für die Evaluierung im Pulse-Skipping-Modus
Technische Daten
- Eingangsspannungsbereich: 2,25 V bis 5,5 V
- Ausgangsspannungsbereich: 1,176 V bis 1,224 V
- Ausgangsstrom: 15 A
- Schaltfrequenzbereich: 1,8 MHz bis 2,2 MHz
- Wirkungsgrad von 92,5 %
Schaltplan-Diagramm
Weitere Ressourcen
Veröffentlichungsdatum: 2023-03-05
| Aktualisiert: 2023-03-07
