Analog Devices Inc. EVAL-LT8355-1-AZ Evaluierungsboard
Das EVAL-LT8355-1-AZ Evaluierungsboard von Analog Devices Inc. ist eine leistungsstarke und vielseitige Lösung für die Steuerung von Hochspannungs-LED-Beleuchtungssystemen. Das EVAL-LT8355-1-AZ von Analog Devices Inc. enthält den LT8355-1 Dual-LED-Controller, der eine flexible Konfiguration der einzelnen Kanäle als LED-Treiber oder Auf-/Abwärtsmodus-LED-Treiber ermöglicht. Das Bauteil kann das Rückkopplungsnetzwerk und die LED-Anschlüsse leicht anpassen. Das EVAL-LT8355-1-AZ ist eine zuverlässige und effiziente Lösung für die Ansteuerung von LEDs mit bis zu 72 V bei 450 mA auf Kanal 1 und bis zu 30 V bei 1 A auf Kanal 2, wobei ein Höchstmaß an Leistung und Sicherheit gewährleistet ist.Merkmale
- Hochspannungs-Dual-LED-Controller
- Duale Kanäle mit Aufwärts-LED-Treiber- und Auf-/Abwärtsmodus-LED-Treiber-Konfigurationen
- Flexible Konfiguration durch Rückkopplungsnetzwerk und LED-Anschlüsse
- Ansteuerung einer einzelnen LED-Kette pro Kanal
- Kanal 1 steuert bis zu 72 V von LEDs bei 450 mA an, Kanal 2 steuert bis 30 V von LEDs bei 1 A an
- Unterspannungssperre (UVLO) mit 6,2 V fallend und 7,5 V steigend
- PWM und analoges Dimmen
- Schutz vor Abschaltung, offener LED und kurzer LED und Meldung von Fehlern
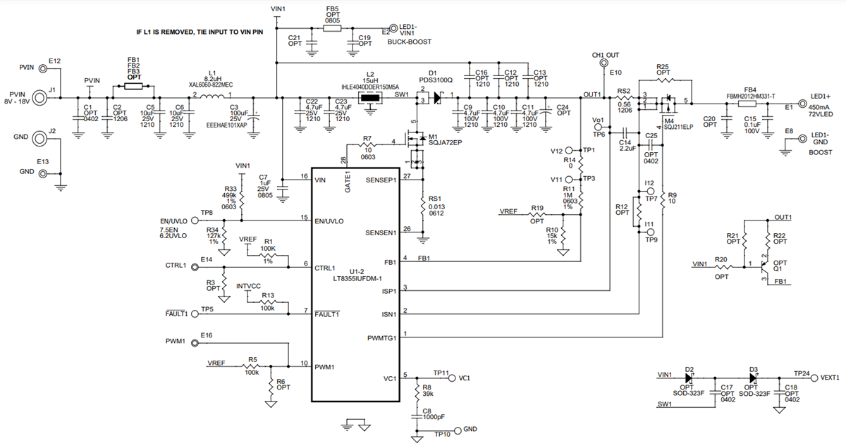
Schaltschema
Veröffentlichungsdatum: 2023-05-09
| Aktualisiert: 2023-05-23
