Analog Devices Inc. USB 3.0 Vierkanal-IEPE-Vibrationsinstrument
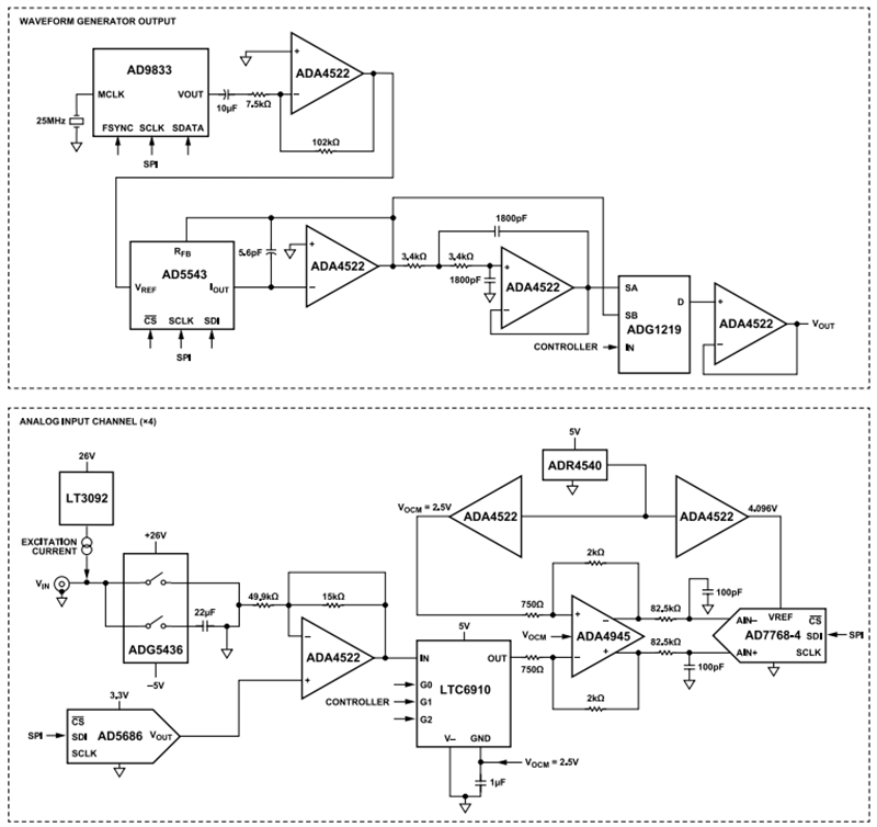
Das Analog Devices Inc. EVAL-CN0582-USBZ USB 3.0 Vierkanal-IEPE-Vibrationsinstrument-Systemboard liest Daten von Analog (IEPE) ab. Die analogen IEPE-Eingänge können Stromquellenschalter für Sensoren enthalten, die eine externe Leistung und eine individuelle Kanal-Offset-Spannungseinstellung benötigen. Neben dem Lesen von Sensordaten kann das Board ein sinusförmiges Signal mit variabler Amplitude und Frequenz an eine externe Vibrationsschüttelvorrichtung als Stimulus liefern. Durch diese Funktion ist das Board in der Lage, ein Signal an eine externe Schüttelvorrichtung zu liefern und die Daten von einem montierten Sensor zu messen, wodurch ein geschlossener Rückkopplungskreis entsteht.Merkmale
- Für die Evaluierung des CN0582
- Gleichzeitige Vierkanal-Datenerfassung
- On-Board-IEPE-Erregung
- Signal-Generator
- Einfarbige oder lineare Zeitablenkung
- Elektronisches Rückschleifentesten
- Schütteltisch-Erregung
- CN0582 Evaluierungssoftware
- Systemkonfiguration
- Grafische Anzeige
- Dateiexport (Datenerfassung, Vibrationstest)
- IEPE-Eingangskanal-Kompensierung
Technische Daten
- Analoger Eingang
- IEPE
- Skalenendwert: 0,1 mV bis 10 V
- Maximale Vorspannung: 13 VDC
- 4 mA Stromquelle (typisch)
- 4 mA bis 20 mA (CH3)
- Widerstand: 249 Ω
- Leistung: 0,25 W
- -87 dB THD + N (-84 dB max.), 3,3 Vp-p bei 1 kHz (typisch)
- 99 dB SRV, 10 Vp-p bei 20 Hz bis 20 kHz (typisch)
- Fehlergenauigkeit von 1 % (bei >100 mV)
- IEPE
- Leistungsanforderung
- Eingabebereich: 4,5 V bis 6 V, 5 V (typisch)
- Eingangsstrombereich: 500 mA bis 600 mA
Videos
Systemblockdiagramm
Weitere Ressourcen
Veröffentlichungsdatum: 2022-12-05
| Aktualisiert: 2024-01-04
