Analog Devices Inc. EVAL-ADRF5717 Evaluierungsboard
Das Evaluierungsboard EVAL-ADRF5717 von Analog Devices Inc. evaluiert die Funktionen und das Betriebsverhalten des digitalen 2-Bit-Dämpfers ADRF5717mit einem Dämpfungsregelbereich von 48 dB , der im SOI-Verfahren (Silicon-on-Insulator, SOI) hergestellt wird. Dieses anschlussfähige, vollausgestattete Evaluierungsboard bietet eine einfache Verbindung zu Testgeräten und eine zusätzliche Durchgangsleitung für die Kalibrierung.Merkmale
- Vollständig bestücktes Evaluierungsboard für den ADRF5717
- Einfache Verbindung zu Testgeräten
- Zusätzliche Durchlassleitung für die Kalibrierung
Applikationen
- Industrie-Scanner
- Prüf- und Messgeräte
- Mobilfunk-Infrastruktur, 5-G-Millimeterwelle
- Militärfunkgeräte, Radar und elektronische Gegenmaßnahmen (ECMs)
- Mikrowellen-Funkgeräte und VSATs (Very Small Aperture Terminals)
Erforderliche Ausrüstung
- DC-Netzteil
- Netzwerkanalysator
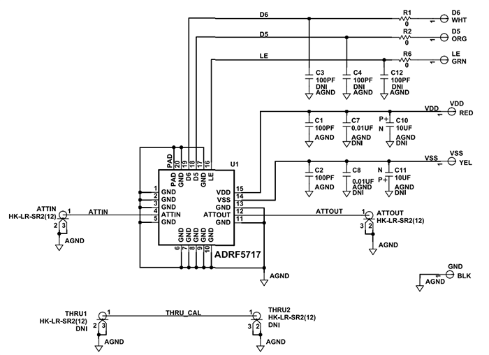
Schaltplan
Weitere Ressourcen
Veröffentlichungsdatum: 2024-03-06
| Aktualisiert: 2024-03-15
